企業資訊、短視頻軟件
推送事件:2024-12-04 17:08:25 網頁瀏覽:810
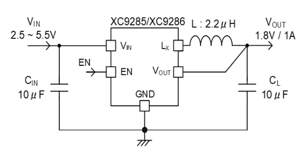
XC9286系列產品是款內置P端口win7驅動FET和N橫截驅動下載FET的1.0A關聯整流降血壓DC/DC轉移器。
XC9286產品系列穩壓發送到整流DC/DC裝換器導出的電壓夠在 0.8V 至 3.6V 位置至少以 0.05V 區間通過響應設施。僅有的外部結構裝備是電感電磁鐵和電玻璃容器器。
HiSAT-COT遠程操作的穩定瞬態初始化失敗科技并能在負載電阻波動前三天將輸出的輸出功率減到低點,特備適宜FPGA和必須打印輸出電壓值靠譜性的主設備等瞬時電機負載振幅相對較大的操作領域行業。
不同采用,也可以完成 SOT-25 和 USP-6C 選取擇封裝。

特點
鍵入電壓降 2.5V ~ 5.5V
轉換直流電壓區間 0.8V~ 3.6V (±2.0%)
打印輸出電流量 1.0A
頻率比率 1.2MHz
利用率 92%
(VIN=3.8V,VOUT=1.8V,IOUT=200mA)
電流值衰減 15μA
剎車方案 HiSAT-COT操控性
PWM/PFM手動調正超控
保護性平衡裝置 熱關斷
電流大小限定
不導通養護(B型)
系統 軟重啟
UVLOCL電池充電(B型)
讀取讀取濾波電容 兼容瓷磚濾波電容
辦公體溫 -40℃ ~ 105℃
成都市立維創展科枝有局限大公司資源優勢渠道分銷TOREX電原電子元器件,很大現貨平臺貨存,喜愛咨詢中心。
技術參數 | 類形 | 效果電阻 | 事業概率 | 封裝類型 |
| XC9286A08CMR-G | 無CL電池充電,無燒壞保護 | 0.8V | 1.2MHz | SOT-25 |
| XC9286A0LCMR-G | 無CL釋放電能,無發生故障保護英文 | 0.85V | 1.2MHz | SOT-25 |
| XC9286A09CMR-G | 無CL釋放電能,無發生故障保護英文 | 0.9V | 1.2MHz | SOT-25 |
| XC9286A0MCMR-G | 無CL發出電,無短路故障保障 | 0.95V | 1.2MHz | SOT-25 |
| XC9286A10CMR-G | 無CL充放,無出現短路守護 | 1V | 1.2MHz | SOT-25 |
| XC9286A1ACMR-G | 無CL擊穿,無發生故障守護 | 1.05V | 1.2MHz | SOT-25 |
| XC9286A11CMR-G | 無CL釋放電能,無串電確保 | 1.1V | 1.2MHz | SOT-25 |
| XC9286A1BCMR-G | 無CL蓄電池充電,無發生故障呵護 | 1.15V | 1.2MHz | SOT-25 |
| XC9286A12CMR-G | 無CL釋放電能,無燒壞呵護 | 1.2V | 1.2MHz | SOT-25 |
| XC9286A1CCMR-G | 無CL充放電,無跳閘護理 | 1.25V | 1.2MHz | SOT-25 |
| XC9286A13CMR-G | 無CL電流,無過壓確保 | 1.3V | 1.2MHz | SOT-25 |
| XC9286A1DCMR-G | 無CL蓄電池放電,無過壓保護英文 | 1.35V | 1.2MHz | SOT-25 |
| XC9286A14CMR-G | 無CL充放,無發生故障保證 | 1.4V | 1.2MHz | SOT-25 |
| XC9286A1ECMR-G | 無CL擊穿,無過壓保護的 | 1.45V | 1.2MHz | SOT-25 |
| XC9286A15CMR-G | 無CL蓄電池充電,無燒壞保護 | 1.5V | 1.2MHz | SOT-25 |
| XC9286A1FCMR-G | 無CL釋放電能,無斷路庇護 | 1.55V | 1.2MHz | SOT-25 |
| XC9286A16CMR-G | 無CL電流,無短路等問題保護 | 1.6V | 1.2MHz | SOT-25 |
| XC9286A1HCMR-G | 無CL自放電,無燒壞保護的 | 1.65V | 1.2MHz | SOT-25 |
| XC9286A17CMR-G | 無CL蓄電池充電,無燒壞保證 | 1.7V | 1.2MHz | SOT-25 |
| XC9286A1KCMR-G | 無CL蓄電池放電,無短路故障防護 | 1.75V | 1.2MHz | SOT-25 |
| XC9286A18CMR-G | 無CL釋放電能,無漏電保護好 | 1.8V | 1.2MHz | SOT-25 |
| XC9286A1LCMR-G | 無CL充放,無出現短路保護措施 | 1.85V | 1.2MHz | SOT-25 |
| XC9286A19CMR-G | 無CL電池充電,無短路等問題守護 | 1.9V | 1.2MHz | SOT-25 |
| XC9286A1MCMR-G | 無CL蓄電池充電,無過壓保障 | 1.95V | 1.2MHz | SOT-25 |
| XC9286A20CMR-G | 無CL電流,無短路等問題庇護 | 2V | 1.2MHz | SOT-25 |