產業資迅
上傳日子:2023-07-18 16:52:09 搜索:1476
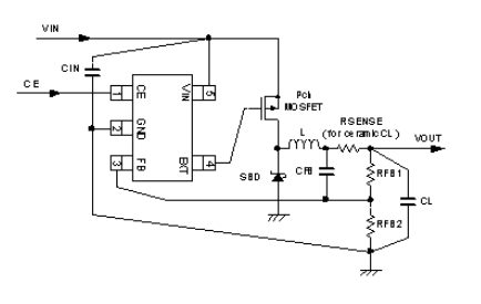
TOREX把控器XC9220國產是多技能降血壓DC/DC的控制系統IC。給XC9220型號把控器靜態配用某種電開關元器件封裝,某種最大功率電感,某種二次元管和的兩個電阻就行可以獲得某種高效能率,比穩定性的,輸入瞬時電流高至3A的電源線電源開關線。XC9220系例調節器能安全使用低ESR電解電容(電解電容器)(電解電容(電解電容器)器)舉個例子淘瓷電解電容(電解電容器)(電解電容(電解電容器)器)可作它的輸出電解電容(電解電容器)(電解電容(電解電容器)器)。
XC9220系列產品設定器有條0.9V(±1.5%)原則交流線電壓,使用外置分壓阻阻就能夠 簡單配置轉換交流線電壓。聲音頻率位置為300kHz,500kHz和1MHz,能操作微商中小靜態元配件。關于軟啟動器時時期,XC9220A和C產品是內控布置為4ms,XC9220B和D類型就能夠在外表制定。XC9220系列作品有效控制系統具備內嵌UVLO(欠壓鎖閉)安全性能,當填寫電流降落到2.3V或較低的實際情況下,靜態P一端觸點開關配件會被強迫性封。

功能
作業線電壓位置:2.8V~16.0V
轉換額定電壓其他如何設置:0.9V(精體積密度±1.5V)
規律范圍之內:300k,500k,1.0MHz
調節的方法:PWM調節
帶軟啟用性能參數:內部管理放置4ms(TypeA500kHz),靜態裝置(TypeB)
保護措施區集成運放:積分查詢保護措施區1.0ms(A,B結構類型),漏電愛護
低ESR電解電容器:陶瓷制品電解電容器
TOREX半導體器件主要帶來了COMS、感應器器、穩壓管等元電子元件,品牌以小大小、功能優勝而著明。
鄭州市立維創展新材料技術有現集團公司,強勢電商分銷TOREX24v電源電子元件,過多外盤庫存積壓,祝賀協議。
商品詳情認識TOREX請彈窗://www.yhme.cn/brand/62.html
形號 | Type | Output Voltage | Oscillation Frequency | Packages |
XC9220A093ER-G | Soft-start internally set with integral protection function | FB type | 300kHz | USP-6C |
XC9220A093MR-G | Soft-start internally set with integral protection function | FB type | 300kHz | SOT-25 |
XC9220A095ER-G | Soft-start internally set with integral protection function | FB type | 500kHz | USP-6C |
XC9220A095MR-G | Soft-start internally set with integral protection function | FB type | 500kHz | SOT-25 |
XC9220A09AER-G | Soft-start internally set with integral protection function | FB type | 1.0MHz | USP-6C |
XC9220A09AMR-G | Soft-start internally set with integral protection function | FB type | 1.0MHz | SOT-25 |
XC9220B093ER-G | Soft-start externally set with integral protection function | FB type | 300kHz | USP-6C |
XC9220B093MR-G | Soft-start externally set with integral protection function | FB type | 300kHz | SOT-25 |
XC9220B095ER-G | Soft-start externally set with integral protection function | FB type | 500kHz | USP-6C |
XC9220B095MR-G | Soft-start externally set with integral protection function | FB type | 500kHz | SOT-25 |
XC9220B09AER-G | Soft-start externally set with integral protection function | FB type | 1.0MHz | USP-6C |
XC9220B09AMR-G | Soft-start externally set with integral protection function | FB type | 1.0MHz | SOT-25 |
XC9220C093ER-G | Soft-start internally set without integral protection function | FB type | 300kHz | USP-6C |
XC9220C093MR-G | Soft-start internally set without integral protection function | FB type | 300kHz | SOT-25 |
XC9220C095ER-G | Soft-start internally set without integral protection function | FB type | 500kHz | USP-6C |
XC9220C095MR-G | Soft-start internally set without integral protection function | FB type | 500kHz | SOT-25 |
XC9220C09AER-G | Soft-start internally set without integral protection function | FB type | 1.0MHz | USP-6C |
XC9220C09AMR-G | Soft-start internally set without integral protection function | FB type | 1.0MHz | SOT-25 |
XC9220D093ER-G | Soft-start externally set without integral protection function | FB type | 300kHz | USP-6C |
XC9220D093MR-G | Soft-start externally set without integral protection function | FB type | 300kHz | SOT-25 |
XC9220D095ER-G | Soft-start externally set without integral protection function | FB type | 500kHz | USP-6C |
XC9220D095MR-G | Soft-start externally set without integral protection function | FB type | 500kHz | SOT-25 |
XC9220D09AER-G | Soft-start externally set without integral protection function | FB type | 1.0MHz | USP-6C |
XC9220D09AMR-G | Soft-start externally set without integral protection function | FB type | 1.0MHz | SOT-25 |