制造業信息
上傳時間段:2023-07-20 17:01:44 挑選:1530
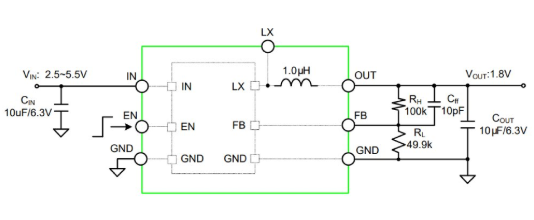
SILERGY(矽力杰)SQ76001RCC是款3MHz、1.2A數據同步減壓三相調壓器,SQ76001RCC在相應規模性型打包封裝(2.5mm×2.0mm,H=1.1mm)中融合化馬力電感和融合單片機芯片。SQ76001RCC高效性化,3MHz,1.2A嵌入功效電感同部減壓三相調壓器。

有特點
里面的把握旋轉開關(最上層/底端)低RDS(ON):230mΩ/150mΩ
模塊化化電感以大局限減小間接元件和PCB整體的設汁
2.5~5.5V電流時間范圍
1.2A重復性輸送電流大小的性能
3MHz高工作的速率非常大底限削減了外邊電源模塊
內外部軟進行調控浪涌電流值
100%Dropout用
需要滿足RoHS細則且無鹵化物
傳輸自動化充釋放電能實用功能
緊湊轎車型打包封裝:QFN2.5×2-8
SILERGY(矽力杰)主耍產量主機電原集成塊、主機電原組件等模擬網集成電路芯片。考慮到SQ76001RCC成本高,交貨長,行業高性價比pin to pin原位改用SQ76001RCC,用作參數為:MUN3CAD01-SB,MUN3CAD01-SB高效、性價比最高DC/DC電源適配器輸出模塊。在2.5V和5.5V發送額定電壓範圍內的根據電流大小高至1.2A時發生+1.8V的輸出電阻。MUN3CAD01-SB電開關工作頻率為3.0MHz,選擇所展示 的包塊可做到高至90%的利用率。期貨的優勢的價格,祝賀詢問。
詳細情況熟知 MUN3CAD01-SB請點擊事件://www.yhme.cn/article/2669.html