互聯網行業新聞咨詢
上線耗時:2023-05-06 17:04:19 預覽:1440
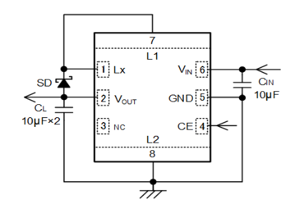
TOREX電源模塊XCL301系列是種內嵌P端面驅動晶體管的負電壓輸出micro DC/DC轉換器。通過調節IC與線圈一體化,能夠實現微型化,僅需在外部增加肖特基二極管與電容器,就能夠搭建不占用空間的電源。XCL301系列轉換器額定電壓為2.7V~5.5V。輸出電壓已設置成-3.3V(精密度±2.0%)。
XCL301系統準換器進行模式切換為PFM/穩定性高關閉時長PWM自動修正控制電腦,利用在小電機負載(輕載)時將投資項目從比較穩定斷電時間PWM控制車遷移至PFM控制,在小電機過載(輕載)至大電機過載(輕載)的總體電機過載區域將推動精準性的,最選用重要性小電機過載(輕載)下的能力高率的機器設備和顧及電池板材料耗費的機器設備。
XCL301產品系列轉變器進行在待機時中止整體布局24v電源用電線路,將動態耗損電流量限制在0.1μA(TYP.)這。因內置(電壓)投入欠壓鎖閉(Under Voltage Lock Out)特點,當投入工作電壓不少欠壓鎖閉電生活中,會二次取消內層P銑面帶動晶胞管。除此之中,UVLO撿驗電壓值為2.2V(TYP.)。
XCL301型號改變器因嵌到CL充放耐腐蝕性,采用在待機時,啟閉VOUT-VIN間的室內控制開關,將通過內電阻器解放CL的電勢。順利通過這種電池充電耐磨性,才可以將打出線電壓在短時間內恢復原狀到GND電平。

特別
插入端電壓:2.7V~5.5V
輸出電壓值:-3.3V
傳輸輸出功率要求:±2.0%
最高效果工作電流:-50mA@VOUT=-3.3V, VIN=3.3V (TYP)
內裝驅動下載器:1.3Ω (Pchwin7變頻器)
消費直流電壓:40μA (TYP.)
調節的方法:PFM / 進行固定停機耗時PWM 自然調成保持
飛速環境下瞬態運行:-50mV(VIN=3.3V,VOUT=-3.3V,IOUT=1mA→50mA)
PFM觸點開關感應電流:550mA
功能鍵:
過電壓保護區實用功能
軟進行直流電壓減少技能
CL一鍵蓄電池放電性能
UVLO
淘瓷電容(電容器)
辦公溫暖規模:-40℃~+85℃
滿足綠色規范要求:與EU RoHS型號規格各自、無鉛
TOREX半導體材料通常提拱COMS、感知器、電感等元電子元件,貨品以小體型大小、效果匠心而很多聞名。
南京市立維創展科技信息有限制品牌,優缺點渠道分銷TOREX外接電源元器,非常多的現貨黃金庫存商品,感謝進行合作。
詳情頁了解TOREX請打開://www.yhme.cn/brand/62.html