行業內信息
發布消息周期:2022-12-02 17:07:30 訪問 :877
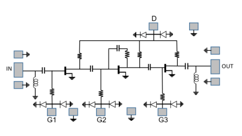
UMS的CHA2352-98F是款三階段單面低嘈音變大器,能在46-52GHz工作頻率段內建成21dB線形增益控制值和20dB隨意調節收獲管理(AGC)和3.5dB的噪音數值。CHA2352-98F蘊含對很多RF瀏覽和DC焊層的ESD保護的。
CHA2352-98F放縮器設計適用性于從工業服務管理到辦公空間通信網絡程序的寬泛適用。
CHA2352-98F使用pHEMT生產工藝工藝、0.1μm柵極時長、橫穿基材的通孔、自然空氣橋和光電束柵流星刻制作工藝制作生產加工制造,更適合于所含BCB層保護的裸集成電路芯片。

最主要的共同點
聯通寬帶性能方面:46-52GHZ
低噪音污染比率:3.5db
12dbmPout@1db收縮,放入端>10db
高收獲:21dbM
BCB層保護區
典型的直流電源電偏壓:Vd=3.3V@ld=55MA
存儲芯片的尺寸2x12x0.07mm
UMS徽波對于國外公分波處理器的代表英文品牌形象,在瑞士和法國的設施有家產集地。UMS在各國標準內精致廣泛應用貿易市場有著難以用作的影響。UMS展示系統設計ASIC或索引車輛的總體價格,最主要的對于單位企業內部的III-V系統,并具備周到的合同書服務項目,使客就能夠會直接有個我們的軟件解決處理方案。從直流電電到100GHz的UMS目錄格式服務均研究背景GaAs、Gan、SiGe技藝,包擴可以達到200W的電率變小器、混合物無線信號模塊、超底嗓聲變小器和完成的發送器系統性。UMS物料以模具設備的方式具備,但似的以多心片包塊的的方式芯片封裝。
廣州 市立維創展科技發展受限平臺是UMS的POS機經銷商,技術為無線路由電力項目、航天工程信號塔、國防教育、汽車、ism等的行業展示高可以信賴性頻射微波通信直徑波元件及集成型控制電路。UMS企業產品采取QFN和沖壓模具包裝設計,交期期短,市場價格勝機有趣。我門為這些參數出示優質量水平的UMS服務庫存量。歡迎詞在線咨詢。
商品詳情頁認識UMS請點擊率://www.yhme.cn/brand/36.html
AMPLIFIER – ANALOG VGA
Reference | RF Bandwidth (GHz) | Gain | Gain Flatness | Noise Figure | Gain Control Range | P-1dB OUT | Bias | Bias | Case | |
min | max | |||||||||
CHA2352-98F | 46 | 52 | 21 | - | 3.5 | 20 | 12 | 55 | 3.3 | die |