HMC713LP3ETR/HMC713LP3E常用對數檢波器/有效控制模塊 ADI外盤
披露時間間隔:2018-07-09 12:01:46 查詢:6927
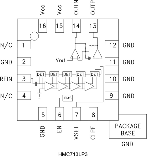
HMC713LP3E常用多數檢波器/調控器異常十分適合將RF無線警報(50 MHz至8000 MHz次數面積內)的功效在錄入輸送端變為為與錄入功效相等的直流電的電壓電流。 HMC713LP3E用到接連降低科技,可在寬錄入次數面積內可以提供具備有高估測的精密度的54 dB日常動態面積。 隨之錄入無線警報曾加,接連擴大器越來越進到飽合,得以合成精確度的常用多數函數公式是值。 一全系列檢波器錄入輸送求和、變為成的電壓電流域并儲存驅使OUTP錄入輸送。
若您有隨便的問題,請取得聯系咱們立維創展,咱們會盡較大竭盡全力謝謝您質量。
在檢查測量經濟模式下,OUTP引腳聯系到VSET手機輸入,提供了17 mV/dB標稱多數斜率和-68 dBm截距。
HMC713LP3E也就可以在保持器形式下用,在該形式下向VSET引腳給予外面線電壓以推動AGC或APC返饋環路。
|
品牌
|
型號
|
描述
|
貨期
|
庫存
|
|
ADI
|
HMC713LP3ETR
HMC713LP3E
|
54 dB對數檢波器/控制器,采用SMT封裝,50 - 8000 MHz
|
現貨
|
170
|
HMC713LP3ETR軟件
-
蜂窩基礎設施
-
WiMAX, WiBro和amp; LTE/4G
-
電源監控和控制電路
-
接收機信號強度指示(RSSI)
-
蜂窩基礎設施
-
自動增益和功率控制
HMC713LP3ETR優勢和特點
-
寬動態范圍: 高達54 dB
-
高精度: ±1 dB (54 dB)
范圍高達2.7 GHz
-
快速輸出響應時間
-
電源電壓: +2.7至+5.5V
-
省電模式
-
出色的溫度穩定性
-
16引腳3x3 mm SMT封裝: 9mm2
HMC713LP3ETR結構圖
