HMC611LP4/HMC611LP4E效率監督多數檢波器 ADI經銷外盤
發部時候:2018-07-09 13:57:07 瀏覽器:7290
HMC611LP4(E)多數檢波器/抑制器將輸人店鋪推廣RF4g信號變換為輸出精準度端不成比例的DC端電壓。HMC611LP4(E)憑借接連壓縮的拓撲結構設計結構設計,提拱寬輸人頻率位置內的最高的動態位置和變換精準度。由于輸人工作效率添加,接連圖像放大儀開始進去飽合,而制成精確度的多數方程相近值。
若您有某些質疑,請取得聯系你們立維創展,你們會盡主要奮力為您精準服務。
一題材mm2律檢波器輸出求和、轉化成成相電壓降域并響應安裝驅動LOGOUT輸出。在判斷的模式,下,LOGOUT引腳發生故障到VSET輸人并給出-25mV/dB的標稱對數計算斜率和18 dBm的截距(22 dBm,? ≥ 5.8 GHz)。HMC611LP4(E)也可在調整器的模式,下適用,向VSET引腳施加壓力外邊相電壓降以形成AGC或APC信息反饋環路。
|
品牌
|
型號
|
描述
|
貨期
|
庫存
|
|
ADI
|
HMC611LP4
HMC611LP4E
|
對數檢波器控制器,采用SMT封裝,0.001 - 10.0 GHz
|
現貨
|
151
|
HMC611LP4用
-
蜂窩/PCS/3G
-
WiMAX、WiBro、WLAN、
固定無線和雷達
-
功率監控和控制電路
-
接收機信號強度指示(RSSI)
-
自動增益和功率控制
HMC611LP4優勢和特點
-
寬動態范圍:高達63 dB
-
高精度:±1 dB
54 dB范圍高達8 GHz
-
電源電壓:+5V
-
出色的溫度穩定性
-
緩沖溫度傳感器輸出
-
緊湊型4x4mm無引腳SMT封裝
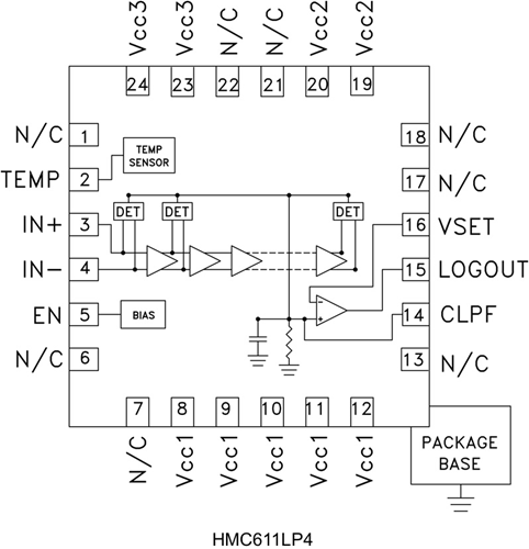
HMC611LP4結構圖
