HMC634LC4/HMC634LC4TR驅程調大器淘瓷表貼封裝 ADI外盤
上線時長:2018-06-29 11:34:17 閱覽:1990
HMC634LC4就是款GaAs PHEMT MMIC安裝驅動安裝調大器,選用無鉛4x4 mm工業陶瓷表貼封裝類型,上班幾率條件為5至20 GHz。 該調大器具備高達mg21 dB的收獲控制、+29 dBm打印效果IP3及+22 dBm的打印效果任務功率(1 dB收獲控制縮短時),耗電量為180 mA(+5V24v電源)。 HMC634LC4安裝驅動安裝調大器極其適于上班幾率條件為5至20 GHz的微波射頻無線wifi電應用領域,的電壓可偏置為+5V (130 mA)以具備較低收獲控制并調節PAE。 隔直調大器I/O配比50 Ω,不可外界配比電子器件。
|
品牌
|
型號
|
描述
|
貨期
|
庫存
|
|
ADI
|
HMC634LC4
HMC634LC4TR
|
驅動放大器,采用SMT封裝,5 - 20 GHz
|
現貨
|
251
|
廣泛應用
-
點對點無線電
-
點對多點無線電和VSAT
-
混頻器LO驅動器
HMC634LC4優勢和特點
-
增益: 21 dB
-
P1dB: +22 dBm
-
飽和功率:
+23 dBm (17% PAE)
-
單電源電壓: +5V (180 mA)
-
50 Ω匹配輸入/輸出
-
24引腳4x4mm
SMT陶瓷封裝: 16mm2
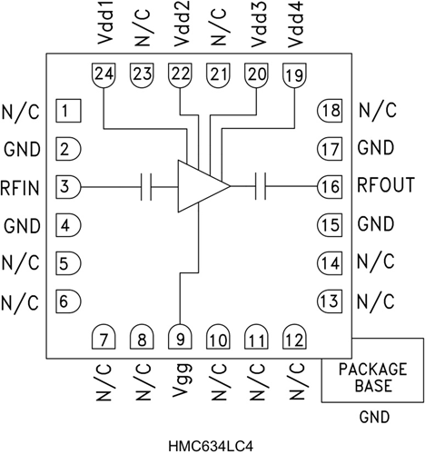
HMC634LC4結構圖
