HMC633LC4/HMC633LC4TR推動放縮器次數5.5至17 GHz ADI現貨平臺
發布了用時:2018-06-29 11:41:51 預覽:1854
HMC633LC4也是款GaAs PHEMT MMIC控制擴大器,所采用無鉛4x4 mm表貼瓷器封裝,運轉次數區間為5.5至17 GHz。 該擴大器展示更是高達30 dB的增加收益值、+30 dBm讀取IP3及+23 dBm的讀取工作功率(1 dB增加收益值縮減時),工作頻率為180 mA(+5V開關電源)。
HMC633LC4驅使放小器比較更適合辦公規律區間為5.5至17 GHz的紅外光移動電適用,直流電壓可偏置為+5V (130 mA)以展示 2 dB較低增加收益并提升PAE。 隔直放小器I/O相配好50 Ω,不用再外界相配好零件。
|
品牌
|
型號
|
描述
|
貨期
|
庫存
|
|
ADI
|
HMC633LC4
HMC633LC4TR
|
驅動放大器,采用SMT封裝,5.5 - 17 GHz
|
現貨
|
269
|
適用
-
直連wlan電
-
點對多點兒無線數字電和VSAT
-
混頻器LO驅動下載器
HMC633LC4優勢和特點
-
增益: 30 dB
-
P1dB: +23 dBm
-
飽和功率:+23.8 dBm (24% PAE)
-
電源電壓: +5V (180 mA)
-
50 Ω匹配輸入/輸出
-
24引腳4x4mmSMT陶瓷封裝: 16mm2
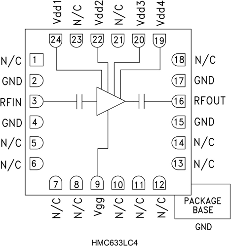
HMC633LC4結構圖
