該行業手游資訊
發布的時光:2019-12-24 13:59:45 看:1837
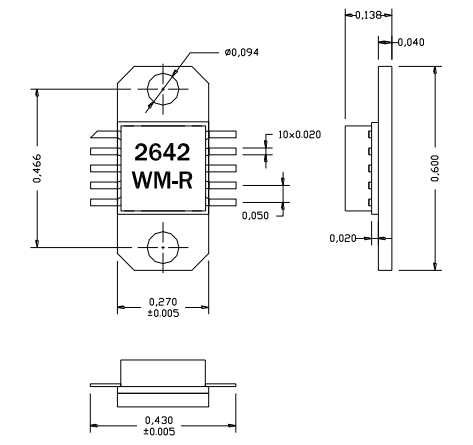
AM264240WM-EM-R是AMCOM的砷化鎵HiFET MMIC功率放大器系列的一部分。這是兩個階段GaAs-HIFET-PHEMT-MMIC功率放大器。AM264240WM-EM-R在輸入和輸出端都與50歐姆完全匹配,覆蓋2.6歐姆至4.2GHz。它有20dB的增益和40dBm的14V輸出功率射頻和直流引線位于封裝的較低層,以便于將低成本的SMT組裝到PC板上。因為直流電功率大散熱,我們強烈建議將這些設備直接安裝在金屬散熱片上。AM264240WMFM-R是安裝在鍍金銅法蘭托架上的AM264240WM-BM-R。EM包有相同的封裝外形為FM封裝,采用直引線和銅/鎢法蘭代替銅法蘭是法蘭上的兩個螺孔,便于擰到金屬散熱器上。這個MMIC是符合RoHS的。

AM264240WM-EM-Rapp
PCS稍稍有點蜂窩移動基站
GPS應運
WiMAX
WLL
10V–15V技術應用
AM264240WM-EM-R比較重要參數值
工作頻率:2.6-4.2GHz
收獲:20
P1dB(DBM):39
PSAT(DBM):40
高效率:35
VD(V):14
東莞 市立維創展科技信息是AMCOM公司的總經銷商費,其主要的徽波光纖寬帶物品屬于頻射晶胞管、MMIC工作功效變大器、混后變大器控制器、光纖寬帶變大器、高工作功效變大器控制器、帶RF和DC連入器的高效率變小器包塊和低噪音污染變小器,效率變小器,面板開關,衰減器,移相器各種上/后面直流變頻的開發。