制造業咨詢
上線準確時間:2019-12-24 14:09:04 看:1876
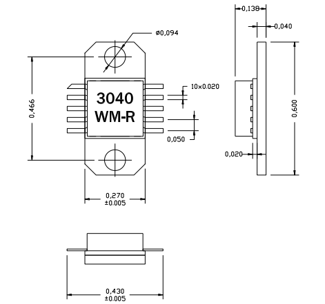
AM304031WM-EM-R是AMCOM的砷化鎵MMIC功率放大器系列的一部分。它有31分貝的增益和31在2.6到4.8GHz頻帶上的dBm飽和輸出功率。這個MMIC是一個陶瓷封裝,射頻和直流都有在較低層次的封裝,以促進低成本的SMT組裝到PC板。由于高直流功耗,我們建議將這些設備直接安裝在金屬散熱器上。AM304031WM-FM-R是AM304031WM-BM-R安裝在鍍金銅法蘭托架上。法蘭上有兩個螺孔便于擰上金屬散熱器。AM304031WM-EM-R有一個CuW法蘭,是正在逐步淘汰的AM304031WM-FM-R。這個MMIC是符合RoHS的。

AM304031WM-EM-R選用
無線網絡智能互聯系統網傳輸
移動原生環路
寬帶網絡手機無線傳輸(BWA)
AM304031WM-EM-R更重要主要參數
工作頻率:2.6-4.6GHz
增益值:31
P1dB(DBM):32
PSAT(DBM):32.5
效應:25
VD(V):8
成都 市立維創展科技創新是AMCOM工廠總銷售商,其首要紅外光移動寬帶的產品其中包括頻射氯化鈉晶體管、MMIC電率調小器、混合型喂養調小器功能、帶寬調小器、高電率調小器功能、帶RF和DC鏈接器的高耗油率變成器模塊圖片和低噪音污染變成器,耗油率變成器,控制開關,衰減器,移相器包括上/接下來直流變頻空調器的制定。