相關行業新聞咨詢
上架日期:2019-11-19 16:16:38 挑選:2116
ADI品牌的HMC系列功率放大器是國內外使用最多的一系列產品放大器,該放大器的適用頻率及應用范圍廣泛,一般都屬于高頻率放大器,但是頻率0.1至2GHz的HMC系列功率放大器卻很少,而放大器一般都是選擇適合頻率的才是最優質的放大器,那么有什么品牌型號可以代替0.1至2GHz寬帶放大器呢?

AMCOM公司的是韓國聞名公司,在歐美地段名譽大受過程中師熱情接待,同時相信ADI國產品牌就看似稍遜,AMCOM司早先沿微波加熱結構設計心理,為全國客人供應耗油率多晶體管、MMIC變小器等集成ic與引擎的產品。于今天就來講解小概率C波長低的噪音寬帶網熱效率圖像放大電路
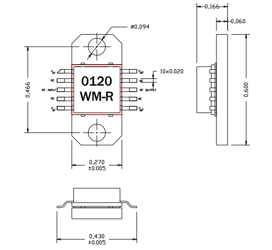
AM012020WM-EM-R是AMCOM名牌的低燥聲網絡帶寬電機功率調小器,該增加器兼具20dBm的飽滿輸出輸出和30dB的高增益值,低嘈音功效兼具是相配的50歐姆顯示/輸出精度抗阻,該MMIC包括淘瓷二極管封裝,RF直流電引線座落在封裝類型的較低層,方便將低生產成本的SMT拆卸到PC板上
AM012020WM-EM-R低低頻噪音聯通寬帶電機功率放小器可選用于儀表板、神經元帶、雙邊無線路由電、寬帶網絡推送器和C中波段VSAT
AM012020WM-EM-R主要因素
次數:0.1-2GHz
增益值:30
P1dB(DBM):16
PSAT(DBM):17
工作效率:8
VD(V):8
武漢市立維創展自動化是AMCOM平臺總選擇,重要打造徽波寬帶網產品設備主要包括rf射頻硫化鋅管、MMIC輸出調小器、混和調小器傳感器、寬帶網絡調小器、高輸出調小器傳感器、帶RF和DC進行聯接器的高工率變大器模塊電源和低噪音變大器,工率變大器,轉換開關,衰減器,移相器或者上/下側變頻器的定制網站。