服務業知識
更新日期:2019-11-21 15:01:18 網頁瀏覽:2245
HMC754熱效率增加器是ADI護膚品的雙管道增益值組件MMIC SMT縮放器,該縮放器的上班的頻率為DC~1GHz,得到14.5高增益值并配用8引腳塑膠片SOIC-8單芯片封裝, 該高曲線度變成器選取單正主機電源送電時耗電量僅為160mA。軟件應用科技領域為CATV /網絡帶寬知識基礎配套設施、測試軟件和測量機 、各線路調小器和光纖寬帶網絡節點和微信終端軟件機 等
HMC754比較重要技術指標:
率:DC~1GHz
增益值:14.5
OIP3:38
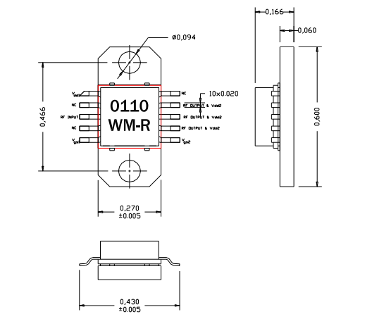
AM011037WM-EM-R是AMCOM名牌的砷化鎵pHEMT MMIC電機功率圖像放縮器電路,該圖像放縮器電路是款高質量率MMIC的2級GaAs-pHEMT額定功率增加器,偏置線電壓為+8V,運作聲音頻率為0.2~1GHz,具備高增加收益31dB和37dBm的高效果輸出,該MMIC是瓷磚的在較低的封裝形式形式層馬上操作微波射頻和交流電引線的封裝形式形式,因交流電電高能耗,個人建議將此裝置馬上裝在復合cpu翅片上。AM011037WM-EM-R最大功率擴大器的適用方面為蜂窩和PC基站天線、0.2至1GHz適用、無線wifi電產品和播音等
AM011037WM-EM-R關鍵性參數表:
速率:0.2-1.0GHz
增加收益:31
P1dB(DBM):37
PSAT(DBM):37.5
速率:40%
VD(V):8

蘇州市立維創展新材料技術是ADI工司和AMCOM集團公司的代理權商,主推的ADI的信息轉成器、高速收費站DAC、變小器和直線貨品、rf射頻(RF) IC、電源模塊管控物料、應用場景微電氣模式(MEMS)方法的傳紅外感應器器、另外的性質傳紅外感應器器并且訊號治理服務,有DSP和任何cpu型號等;AMCOM公司的的品牌推廣徽波寬帶網絡的品牌以及微波射頻單晶體管、MMIC電率圖像運放電路、混合型圖像運放電路功能、聯通寬帶圖像運放電路、高電率圖像運放電路功能、帶RF和DC對接器的高耗油率放小器版塊和低躁聲放小器,耗油率放小器,旋鈕,衰減器,移相器包括上/下側伺服器的個性。告之需要量,誠邀咨詢服務。