HMC468ALP3E網絡帶寬3位GaAs IC小數衰減器 外盤
分享精力:2019-02-26 14:04:23 預覽:1626
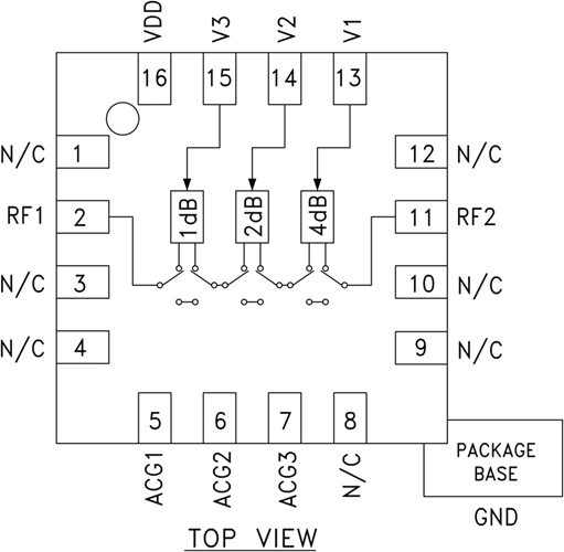
HMC468ALP3E是款光纖寬帶3位GaAs IC羅馬數字衰減器,確定成本更低費無引腳接觸面貼裝封裝形式。 在DC到6.0 GHz幾率下作業,加上耗率降到1 dB典范值,尤其高實現4 GHz。 衰減器位參考值1 (LSB)、2和4 dB,總衰減為7 dB。 衰減表面粗糙度尤其高,典范步長數據誤差為±0.4 dB,IIP3為+55 dBm。 這三個把控電阻值輸人在0和+5V兩者開啟,用到確定每種衰減感覺。 需用+5V的一個Vdd偏置。
|
品牌
|
型號
|
貨期
|
庫存
|
|
ADI
|
HMC468ALP3E
|
1周
|
120
|
如若您需要購買HMC468ALP3E,請點擊右側客服聯系我們!!!
用途
-
蜂窩;UMTS/3G基礎設施
-
固定無線和WLL
-
微波無線電和VSAT
主要優勢和特殊性
-
1 dB LSB步進至7 dB
-
高IP3: +55 dBm
-
誤碼率:±0.25 dB(典型值)
-
每位單個控制線路
-
+5V單電源
-
3x3 mm SMT封裝
示圖圖

深圳市立維創展科技代理銷售ADI現貨產品,致力于為廣大客戶提供低價格、高質量、有保障的產品,提供優質的售前與售后服務技術。如您有任何產品需求以及服務請聯系我們客服人員,我們會再第一時間內為您解決問題。