HMC447LC3低嘈音四分頻回收分頻器 現貨黃金
發布新聞日子:2019-02-26 14:07:37 網頁瀏覽:1720
HMC447LC3都是款低嘈音3分頻回收分頻器,分為InGaP GaAs HBT技巧。 這件帶寬分頻器的運行復制粘貼的率為10到26 GHz,可配受極寬位置的復制粘貼輸出功率的水平。 HMC447LC3具-150 dBc/Hz的越來越低SSB相位嘈音(100 kHz偏置時),非常的比較合適在高頻鎖相環(PLL)中用到,及有一個設計中所需基波和分頻LO的率的本振(LO)都分配好廣泛應用。
是一款模塊著力的分頻器安全使用單獨一個+5V正電源開關,工作電壓僅為96 mA,在電機功率上行速率環境下可以提供比較平緩的打印輸出電機功率。 HMC447LC3運用合乎RoHS原則的3x3 mm的無引腳SMT封裝形式,極具漏出的接地線焊盤。
|
品牌
|
型號
|
貨期
|
庫存
|
|
ADI
|
HMC447LC3
|
1周
|
100
|
要是您應該買HMC447LC3,請選擇右測微信客服認識自己!!!
HMC447LC3應用
-
點對點/多點無線電
-
VSAT無線電
-
光纖產品
-
測試設備
HMC447LC3優勢和特征
-
很寬的帶寬
-
超低SSB相位噪聲: -150 dBc/Hz
-
輸出功率: -4 dBm
-
單直流電源: +5V
-
符合RoHS標準的3x3 mm SMT封裝
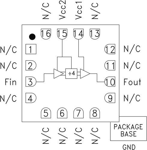
HMC447LC3示意圖

深圳市立維創展科技代理銷售ADI現貨產品,致力于為廣大客戶提供低價格、高質量、有保障的產品,提供優質的售前與售后服務技術。如您有任何產品需求以及服務請聯系我們客服人員,我們會再第一時間內為您解決問題。