業內資訊新聞
正式發布時段:2019-02-25 11:12:58 手機瀏覽:2176
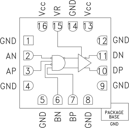
HMC746都是種AND / NAND / OR / NOR特點,契機支撐超過13 Gbps的數據資料傳送數據強度和超過13 GHz的秒表頻繁 。HMC746可以很會地配備為提高下類一切邏輯推理能力:AND,NAND,OR和NOR。HMC746還還具有內容輸出電平操控引腳VR,可實現目標消耗賠償金或的信號電平網站優化。
HMC746的大部分手機輸入和轉換電磁波均以50歐姆至V cc片內端接,是可以是互動或電流藕合。進入和效果能否馬上無線連接到50歐姆至V cc端接程序化,而假若端接程序化接地極50歐姆,則還可以利用隔直濾波電容。HMC746主要按照+ 3.3V單開關電源供電公司,主要按照完全符合RoHS原則的陶瓷制品3x3 mm SMT封裝類型。
假如您要求購賣HMC746LC3C,請點開左下客戶服務熱線連接你們!!!
品牌
型號
貨期
庫存
ADI
HMC746LC3C
1周
90
利用
優勢和特征
22/21 ps
效果電壓降擺幅:600 - 1100 mV
SMT裝封:9mm2
示意圖
