HMC565LC5低躁聲放小器IC芯片 ADI現貨平臺
公布的時間段:2019-02-26 10:52:55 閱讀:1760
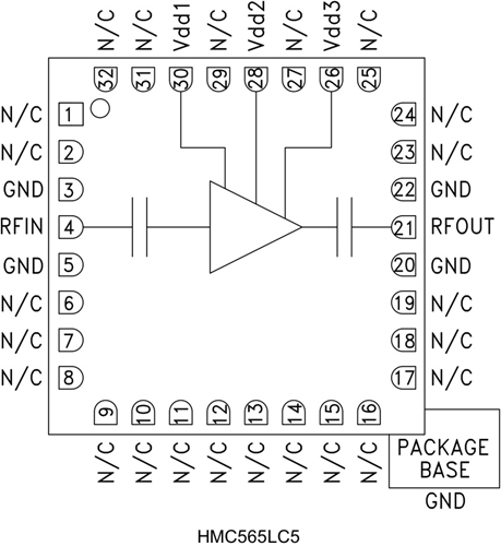
HMC565LC5一款高情況區間GaAs PHEMT MMIC低嘈音調大器,選用復合RoHS規范的無引腳5x5mm SMT封口。 HMC565LC5運轉率區間為6至20 GHz,在一小部分運轉頻段內有21 dB小數字信號增益控制、2.5 dB嘈音彈性系數和+20 dBm工作輸出IP3。 基于選用+3V開關電源配電和隔直RF I/O,該自偏置LNA非常的適用徽波無線網電軟件。
|
品牌
|
型號
|
貨期
|
庫存
|
|
ADI
|
HMC565LC5
|
1周
|
100
|
若是您需用下單HMC565LC5,請選擇一側客服熱線鏈接我們大家!!!
應用
-
點對點無線電
-
點對多點無線電和VSAT
-
測試設備和傳感器
-
軍事和太空
優勢和特征
-
噪聲系數: 2.5 dB
-
增益: 21 dB
-
OIP3: 20 dBm
-
單電源: +3V (53 mA)
-
50 Ω匹配輸入/輸出
-
符合RoHS標準的5x5 mm封裝
示意圖

深圳市立維創展科技代理銷售ADI現貨產品,致力于為廣大客戶提供低價格、高質量、有保障的產品,提供優質的售前與售后服務技術。如您有任何產品需求以及服務請聯系我們客服人員,我們會再第一時間內為您解決問題。