HMC409LP4E/HMC409LP4ETR工作效率率電機功率縮放器 ADI現貨平臺
發布新聞精力:2018-06-26 11:07:05 觀看:7547
HMC409LP4(E)是一種款高效益率GaAs InGaP HBT MMIC工做效率圖像放縮器電路,工做規律使用范圍為3.3至3.8 GHz。 該圖像放縮器電路采取低生產成本、無鉛SMT封裝類型。 它采取最小的外邊電子器件,給出31 dB增加收益,飽和工做效率為+32.5 dBm,電源適配器端電壓為+5V。 工做效率抑制(Vpd)常用于全節能模式,或RF效果精度工做效率/直流電抑制。 相對+22 dBm OFDM效果精度工做效率(64 QAM, 54 Mbps),HMC409LP4(E)可達到2%的精度矢量素材升幅(EVM),而符合要求WiMAX 802.16線型度符合要求。
|
品牌
|
型號
|
描述
|
貨期
|
庫存
|
|
ADI
|
HMC409LP4E
HMC409LP4ETR
|
1 W功率放大器SMT,3.3 - 3.8 GHz
|
現貨
|
237
|
HMC409LP4應用
-
WiMAX 802.16
-
固定無線接入
-
無線本地環路
HMC409LP4優勢和特點
-
增益: 31 dB
-
40% PAE (+32.5 dBm pout)
-
2% EVM (Pout = +22 dBm)
具有54 Mbps OFDM信號
-
+46 dBm輸出IP3
-
集成功率控制(Vpd)
-
+5V單電源
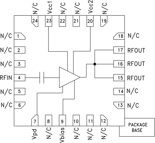
HMC409LP4結構圖
