HMC499LC4/HMC499LC4TR中低檔工率拖動器無引腳 ADI現貨交易
頒布時間:2018-06-26 11:11:34 查看:2173
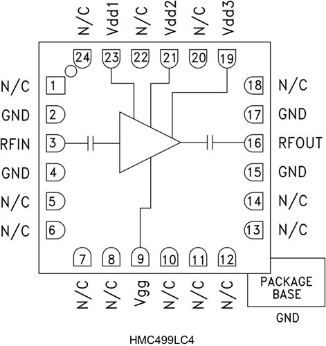
HMC499LC4一款高動態性領域GaAs PHEMT MMIC中高最大熱效率變大器,通過達到RoHS標的無引腳“無鉛”SMT裝封。 該變大器包括21至32 GHz的任務領域,提供數據16 dB增益控制、+24 dBm飽和狀態最大熱效率和16% PAE(+5V電源模塊交流電壓)。 隔直RF I/O配備至50 Ω,實用方便簡潔。 HMC499LC4無須線焊,能否實用表貼打造技術水平。
|
品牌
|
型號
|
描述
|
貨期
|
庫存
|
|
ADI
|
HMC499LC4
HMC499LC4TR
|
中等功率放大器,采用SMT封裝,21 - 32 GHz
|
現貨
|
215
|
應用軟件
-
點對點無線電
-
點對多點無線電和VSAT
-
測試設備和傳感器
強勢和優點和缺點
-
輸出IP3: +34 dBm
-
飽和功率: +24 dBm (16% PAE)
-
增益: 16 dB
-
+5V(200 mA)電源
-
50 Ω匹配輸入/輸出
-
符合RoHS標準的4x4 mm SMT封裝
結構設計圖
