HMC311LP3異質結雙正負極納米線管 ADI外盤
發部期限:2019-02-18 10:05:38 手機瀏覽:1620
HMC311LP3不是款GaAs InGaP異質結雙化學性質單晶體管(HBT)收獲工作工作輸出模塊MMIC SMT圖像電壓拖動器,做工作規律區域為DC至6 GHz。 此款3x3mm QFN封裝圖像電壓拖動器可作級聯50 Ohm收獲級或使用在推動工作工作輸出工作輸出最大功率自由高達+17 dBm的HMC混頻器LO。 HMC311LP3(E)保證14.5 dB的收獲,+32 dBm的工作工作輸出IP3,也僅需+5V交流電源保證56 mA功率。 所使用的達林頓反應對可變低對通常生產工藝影響的強烈度,保證優異的體溫收獲穩定的性,只需極低的外邊偏置電氣元件。
|
品牌
|
型號
|
貨期
|
庫存
|
|
ADI
|
HMC311LP3
|
1周
|
60
|
如果您想要購HMC311LP3,請點左面客戶服務中心聯絡我們的!!!
HMC311LP3應用
-
蜂窩/PCS/3G
-
固定無線和WLAN
-
有線電視和電纜調制解調器
HMC311LP3優越性和性能
-
P1dB輸出功率: +15.5 dBm
-
輸出IP3: +32 dBm
-
增益: 14.5 dB
-
50 Ohm I/O’s
-
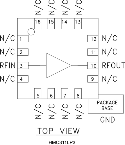
16引腳3x3 mm SMT封裝: 9mm2
HMC311LP3結構圖

深圳市立維創展科技代理銷售ADI現貨產品,致力于為廣大客戶提供低價格、高質量、有保障的產品,提供優質的售前與售后服務技術。如您有任何產品需求以及服務請聯系我們客服人員,我們會再第一時間內為您解決問題。