HMC437MS8GE低燥音靜態式的分頻器 原廠現貨平臺
發表時間間隔:2019-02-18 10:22:56 挑選:2185
HMC437MS8GE有的是款低躁聲1分頻靜態式的分頻器,選擇的InGaP GaAs HBT技術水平,應用低投資成本8引腳表貼朔料裝封。 此器材在DC(選擇的方波投入)至7 GHz的投入概率下運作,選擇的+5V DC單電壓。 100 kHz偏置時的低加性SSB相位躁聲為-153 dBc/Hz,不利于大家恢復積極的軟件系統躁聲的性能。
|
品牌
|
型號
|
貨期
|
庫存
|
|
ADI
|
HMC437MS8GE
|
1周
|
30
|
要是您需要購HMC437MS8GE,請彈窗左邊博主搞好關系他們!!!
HMC437MS8GE運用
-
UNII、點對點和VSAT無線電
-
802.11a和HiperLAN WLAN
-
光纖產品
HMC437MS8GE優勢和特點
-
SSB相位噪聲: -153 dBc/Hz(100KHz)
-
寬帶寬
-
輸出功率: -1 dBm
-
單直流電源: +5V (69 mA)
-
MS8G SMT封裝
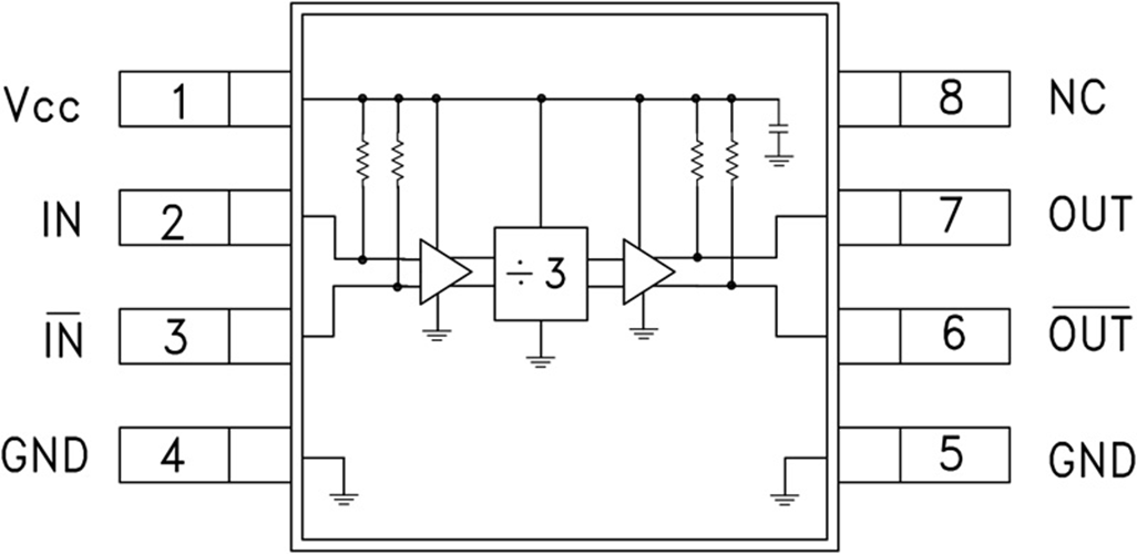
HMC437MS8GE結構圖

深圳市立維創展科技代理銷售ADI現貨產品,致力于為廣大客戶提供低價格、高質量、有保障的產品,提供優質的售前與售后服務技術。如您有任何產品需求以及服務請聯系我們客服人員,我們會再第一時間內為您解決問題。