這個行業快訊
發布了時長:2018-06-25 14:52:49 預覽:2022
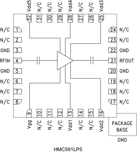
HMC591LP5(E)一款高靜態範圍GaAs PHEMT MMIC 2 W電最大功率調大器,運作概率範圍為6至9.5 GHz。 該調大器供給18 dB增益控制,飽和電最大功率為+33 dBm,電源線工作電壓為+7V (19% PAE)。 此調大器切換50 Ω,不用再一點外組件,RF I/O經歷過隔直,以供給安穩的耐腐蝕性。 這相對 所需合適OIP3的技術使用,Idd應布置為940 mA以所導致+41 dBm OIP3。 這相對 所需合適所在P1dB的技術使用,Idd應布置為1,340 mA以所導致+33 dBm所在P1dB。
品牌
型號
描述
貨期
庫存
ADI
HMC591LP5,HMC591LP5E
HMC591LP5ETR,HMC591LP5TR
2 W功率放大器,采用SMT封裝,6.0 - 9.5 GHz
現貨
158
HMC591LP5優勢和特點
+33 dBm (20% PAE)
