HMC1086F10氮化鎵(GaN) MMIC額定功率擴大器10引腳法蘭部封裝形式 ADI現貨黃金
披露周期:2018-06-22 16:28:05 訪問 :7065
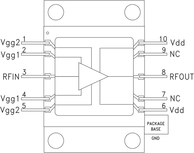
HMC1086F10就是一款25W氮化鎵(GaN) MMIC業務瓦數調大器,業務頻帶寬度比率為2至6 GHz,主要進行10引腳法蘭片貼裝封口。 該調大器大部分展示 23 dB小4g走勢增益控制,+44.5 dBm過飽和打出業務瓦數,在+33 dBm打出業務瓦數/4g走勢音下,展示 +46 dBm打出IP3。 該調大器主要進行+28V直流電壓電源開關的動態顯卡功耗為1,100 mA。 隔直RF I/O匹配好至50 Ω,安全使用快捷。
|
品牌
|
型號
|
描述
|
貨期
|
庫存
|
|
ADI
|
HMC1086F10
|
25 W GaN法蘭貼裝MMIC功率放大器,2 - 6 GHz
|
現貨
|
230
|
HMC1086F10使用
HMC1086F10優勢和特點
-
高Psat: +44.5 dBm
-
Psat下功率增益: 11 dB
-
高輸出IP3: +46 dBm
-
小信號增益: 23 dB
-
電源電壓: +28V (1100 mA)
-
50 Ω匹配輸入/輸出
-
10引腳法蘭封裝
HMC1086F10結構圖
