Ka頻譜控制放縮器HMC-AUH256/HMC-AUH256-SX ADI現貨黃金經銷
發布公告時光:2018-12-03 11:18:50 觀看:2134
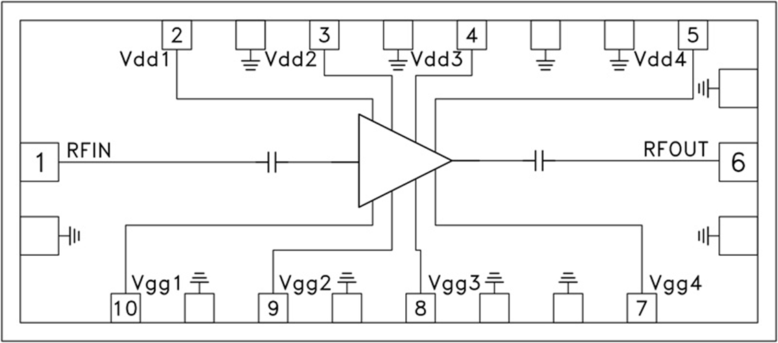
HMC-AUH256也是款Ka光波GaAs MMIC HEMT4個等級能夠放小器,操作規律標準17.5至41 GHz。 會因為長度較小(1.93 mm2),該集成系統電路心片可容易集成系統到多集成系統電路心片功能模塊(MCM)中。 HMC-AUH256在1 dB文件壓縮點展示21 dB的增益控制和+20 dBm的的輸出功效,利用+5V的偏置電(295 mA)。 HMC-AUH256還可以使用作倍頻器。 改變倍頻器操作的詳細完整偏置前提條件。
|
品牌
|
型號
|
貨期
|
庫存
|
|
ADI
|
HMC-AUH256
HMC-AUH256-SX
|
1周
|
200
|
|
如若您需要購買HMC-AUH256/HMC-AUH256-SX,請點擊右側客服聯系我們!!!
|
使用
優勢和特點
-
增益: 21 dB
-
P1dB輸出功率: +20 dBm
-
寬帶性能:
17.5至41 GHz
-
電源電壓:
+5V (295 mA)
-
小尺寸芯片:
2.1 x 0.92 x 0.1 mm
格局圖
