HMC7885FH18單處理器徽波集成系統用電線路(MMIC)工作功率擴大器(PA)控制器 ADI現貨交易經銷商
披露時候:2018-06-19 16:42:54 閱讀:2501
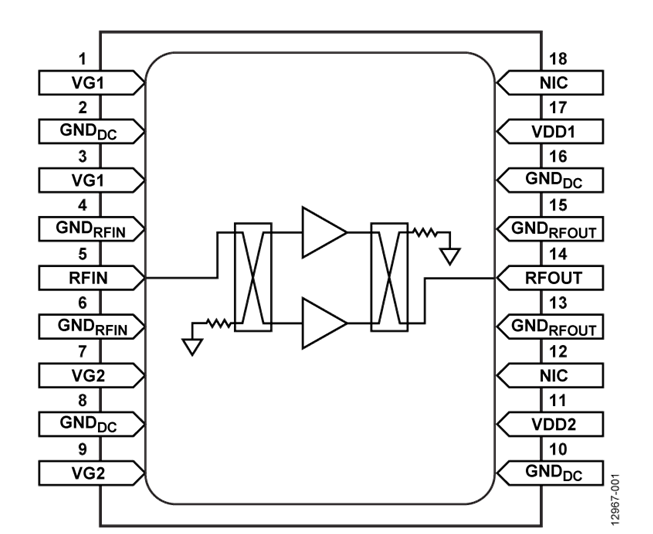
HMC7885FH18是款32 W氮化鎵(GaN)、單處理芯片微波rf射頻集成系統電路原理(MMIC)所在電功率放縮器(PA)組件,事業頻率的范圍為2 GHz至6 GHz,提高18引腳密封隔絕組件芯片封裝。該放縮器一般說來提高21 dB小數據信號增益控制和45 dBm飽和rf射頻(RF)所在所在電功率。該放縮器選擇28 V直流電電源適配器的動態能耗(IDD)為2200 mA。隔直RF發送和所在配備至50 ?,適用方面。
|
品牌
|
型號
|
描述
|
貨期
|
庫存
|
|
ADI
|
HMC7885FH18
|
2 GHz至6 GHz,45 dBm功率放大器
|
現貨
|
78
|
HMC7885FH18應用
-
測試與測量設備
-
通信
-
電子戰(EW)
-
軍事
-
行波管(TWT)替換產品
-
SATCOM
HMC7885FH18優勢和特點
-
2 GHz至6 GHz
-
小信號增益:21 dB(典型值)
-
飽和RF輸出功率:45 dBm(典型值,POUT)
-
18引腳、密封模塊
-
工作溫度范圍為-30°C至+60°C
HMC7885FH18結構圖
