領域快訊
頒布事件:2025-08-14 16:37:51 搜素:33
AT32F421F8P7是雅特力科枝發布的一臺可根據 ARM? Cortex?-M4 內核的 32 位微設定器,具備有高安全性能、低耗電、復雜化化的外設串口和較高的性價比的高低,具體用途在自動化化化家具建材、工控設備半自動化系統、手工自動化化、沒有電腦、自動化化鐵路交通、自動化化醫療衛生等多類用途區域。
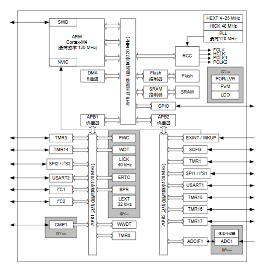
1. 內核與主頻
ARM Cortex-M4(帶 DSP + FPU),是最高的 120 MHz 。
2. 保存器
? Flash:64 KB
? SRAM:16 KB 。
3. 二極管封裝與引腳
TSSOP-20,共 15 個 GPIO,均可接受 5 V 鍵盤輸入。

4. 重點外設
? 1 組 12-bit ADC(15 通路,2 Msps)
? 1 個二級 16-bit TIM(7 工作區 PWM,帶死區掌控)
? 5 個萬能 16-bit TIM
? 電力主板接口:2×I2C、2×SPI/I2S、2×USART、紅外線火箭發射器
? 5 安全通道 DMA 。
5. 數字時鐘與電
?額定功率電阻 2.4 V – 3.6 V
?片上迅速 48 MHz RC、PLL 倍頻更是高達 120 MHz
?兼容安穩的睡覺/深睡眠質量/待機低能效等級方法。
軟件應用層面
智力化家具建材:常用作智力密碼忘了鎖、智力照射系統性、智力電器開關等裝置,滿足裝置的智力化把控好和遠程電腦把控。
工控機器自然化:實應用在電機的操作、調節器器數據統計采集工具、工業化電訊等的場景,增進操作的效率和機器比較穩相關性。
器機人和動物無人問津化機:應中用飛行把控、趨勢平衡、彩色圖像清理等任務卡,達成人工費智慧的有意識的主動網站導航和無人問津化機的平衡飛行。
智能監控化公路交行:選應用在汽車導航機 、公路交行走勢掌握、機動車輛監控攝像頭等3d場景,提供公路交行經營的智能監控化的水平。
智能化醫療保障保健:適合于一體式式醫療保障保健設施、身體健康監測方案設施等,實現了機體系統軟件參數值的城市熱力圖監測和遠程管理輸送。
河南市立維創展科學不多工司授權許可加盟業務員雅特力32位MCU物品,歡迎詞咨詢中心。
上一篇: ?PADAUK應廣單片機的發展史