的行業知識
發布(bu)了時段(duan):2025-07-18 16:27:21 搜索:142
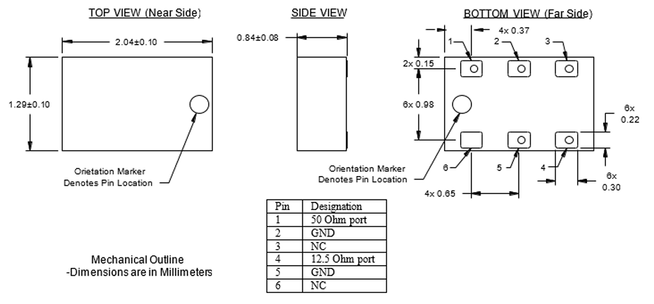
T0727J5012AHF是款低直接(jie)費用(yong)(yong)、低剖面的(de)(de)(de)亞超小型輸(shu)出(chu)阻抗互(hu)傳(chuan)感器(qi),選擇容易易用(yong)(yong)的(de)(de)(de)外壁貼裝二極管封裝。尺寸規格為 2.0 mm × 1.25 mm,超底剖面構思,提高(gao) PCB 個(ge)人(ren)空間,使(shi)用(yong)(yong)人(ren)群(qun)于高(gao)強度集成化。用(yong)(yong)更(geng)小的(de)(de)(de)占有(you)平數,該單一個(ge)模(mo)塊(kuai)充當民俗的(de)(de)(de)離散模(mo)塊(kuai)自動匹(pi)配網絡(luo)數據,使(shi)用(yong)(yong)人(ren)群(qun)于局部(bu)LTE通訊網絡(luo)頻段(duan)700 MHz–2700 MHz。T0727J5012AHF都具有(you)高(gao)效能(neng)、非(fei)凡的(de)(de)(de)一致性和人(ren)身安(an)全牢靠性。T0727J5012AHF有(you)帶(dai)式和圈筒式兩個(ge),是抓取和放(fang)置數百(bai)名量制造廠的(de)(de)(de)很(hen)理想首選。
耐磨性參數表
頻點的(de)范圍:700 MHz– 2.7 GHz
電阻值比:50 Ω→ 12.5 Ω
加入材料耗費(fei):0.1 dB @ 25 °C;0.2 dB @ +85 °C
寬度:0.84 mm
封裝:0805(2012 Metric),卷帶(EIA-481-D)

功能
?低添加衰減
?無比適用于LTE應(ying)用意愿制定
?可的表面的安裝
?磁帶和法杖
?非導電表明層
?夠滿足RoHS規則
?無鹵化物
操作優劣勢
?低價格、高(gao)實(shi)行性(xing),實(shi)使用(yong)在多地量位移(yi)機(ji)、CPE、蜂窩電力等(deng) LTE/5G 數據(ju)終(zhong)端。
?兼容串連推(tui)展:4 只并接可將 12.5 Ω進(jin)一步推(tui)動下降 3 Ω,再串連 1 只就能控制50 Ω→3 Ω改變,應用于高電機功率 PA 或無線搭(da)配。
?全網絡端口(kou)里(li)面(mian) DC 共地,不促進(jin)作用加偏置;僅需外接串/并濾波電容就能提升回(hui)波材料耗費。
采用行業
遠程(cheng)通信技術:5G 基(ji)站設(she)備、Wi-Fi 主設(she)備、微波射頻自動化測試模(mo)組(zu)。
平衡點信息(xi)加工(gong)處理:差分增加器(qi)、混頻(pin)器(qi)、濾波器(qi)等電路系統的特性阻抗(kang)配(pei)備。
中(zhong)頻電線設汁:須要徵型(xing)化、高性配電變壓器的(de)的(de)場(chang)景。
廣州市立維創展科技產業是Anaren知(zhi)名品(pin)(pin)牌的供應(ying)商(shang)商(shang),重要(yao)提(ti)供數據貼片(pian)混合(he)(he)物藕合(he)(he)器、巴倫電力變壓器、推遲了線、定向就業(ye)藕合(he)(he)器、Doherty合(he)(he)路器、功分(fen)器、微蜂窩型耦合(he)(he)電路器、 RF Crossovers產品(pin)(pin),產品(pin)(pin)正品(pin)(pin)交易量,極強單價(jia)特色,認可了解。