該行業新聞、短視頻軟件
發布信息時:2025-04-28 16:35:21 預覽:437
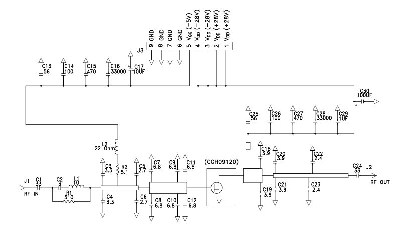
CGH09120F也是款由 Wolfspeed(原CREE科銳)大公司生產銷售的高電子器件遷徙率結晶管(HEMT),適用氮化鎵(GaN)系統,享有高效性率、高增益值和寬帶網學習能力,搭載寬帶網數字信號清理,特別適用可以新動態速度設定的系統的。

主要的性能
頻繁 的范圍:UHF 至 2.5 GHz。
熱效率輸出:120 瓦。
增益控制:21 噪音分貝。
工作中電壓值:28 V。
打包封裝類型:工業陶瓷/黑色金屬活套法蘭封裝形式。
錯誤率:在 20 W PAVE 實效率是 35%。
應該用主要優勢:支技特別數字6預偏色(DPD)校核。
技術應用對比分析與優缺點
參數表 | CGH09120F | 硅基LDMOS | 微信備注 |
規律最大值 | 2.5 GHz | 大部分<1 GHz | GaN在低頻下的效率高 |
工作電壓溶解度 | 4.3 W/mm2 | 約1 W/mm2 | 符合緊密型設計制作 |
速率(PAVE) | 35% | 20%~25% | 可觀減小操作系統耗電量 |
熱擴散系數 | 1.2°C/W | 2.5°C/W | 選擇的蒸發器的能力 |
應用領域
wifi手機網絡通信移動信號塔
看作 LTE、WCDMA 或 MC-GSM 移動信號塔天線電機功率拖動器的體系化元器件,能提供快速率、高直線的頻射網絡信號拖動,消減移動信號塔天線能效比與營銷總成本。
選用在多載波聚合物(CA)情境,依據 DPD 方法大幅提升多載波訊號的線型度。
預警雷達與電子設備戰系統
在雷達天線火箭發射機中改變帶寬手機信號的快速變成,鼓勵抓簽別率三維成像與工作目標檢測。
可用到電子器材戰中的干擾電磁波機,能夠 高輸出功率、寬帶網絡寬功能控制合理有效的電磁波抵抗。
遙感衛星網絡通信與微波通信傳送數據
在 Ka 頻段或 Ku 頻段定位通訊技術用戶中,用于輸入輸出額定功率擴大電子元器件,可以提供可靠的表現收獲與輸入輸出輸入輸出額定功率。
常用在紅外光傳送數據表格外鏈,大力支持長的距離、高出水量的數據表格發送。
南京市立維創展高新科技是CREE的分銷商商,CREE集團好產品以及:LED單片機芯片、戶外照明LED、背光LED、24v電源開關按鈕器、rf射頻設備用LED和wifi手機電裝備。中鐵二院依靠其卓越的批發商業務,具備短期的存儲以充分滿足中國大餐飲市場的市場需求。追捧咨詢了解。