業信息
發部時間段:2025-04-21 16:58:16 閱覽:374
ALN4250-12-3535公分波低躁聲變成器(LNA)是WENTEQ集團公司在mm毫米波通信網絡方向的核心產品,廣適用于5G/6G無線通信機系統、小行星無線通信機系統、統計機系統等高頻的場景。ALN4250-12-3535采用了領先的半導體技術加工制作工藝 (如GaAs、GaN)和柔性化控制電路規劃,低頻噪音公式低至0.5dB,有效果控制控制系統環境噪聲,增強移動信號分明度。WENTEQ Microwave的mm毫米波低噪音分貝縮放器根據其技術優勢可言、定制網站化專業能力和利潤盈利能力,在世界十大行業占去更重要狀態。
特點:
從40.0到45.0GHz的低嘈音、高收獲實際操作
低VSWR,無狀態可靠
體積太小,費用低
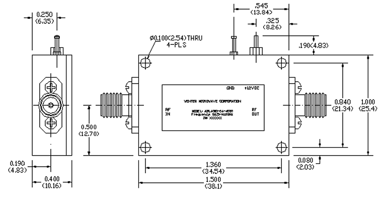
2.4mm女孩子連到器搜索/輸出
可以單電流主機電源,內嵌式的電壓自動開關
事情氣溫-40~+75°C,貯藏水溫-55~+85°C
上海市立維創展創新科技是WENTEQ的銷售商,重要供應WENTEQ物品還包括弧形器、屏蔽器、載荷移動終端等,物品原廠出口,質量管理保護,成本優越性,歡迎會資詢。

Parameters | Specifications | |||
Minimum | Typical | Maximum | ||
Frequency Range | GHz | 40.0 | 45.0 | |
Nominal Gain @25°C base plate temperature | dB | 31.0 | 35.0 | 38.0 |
Noise Figure | dB | 3.5 | 4.5 | |
P-1dB Compression Point | dBm | 15.0 | 16.0 | |
Output IP3 | dBm | 23.0 | 25.0 | |
Gain flatness | dB | +/-1.0 | +/-1.5 | |
Gain Variation over Temperature Range | dB | +/-1.5 | ||
Reverse Isolation | dB | 45.0 | ||
Input VSWR | - | 2.0:1 | 3.0:1 | |
Output VSWR | - | 2.0:1 | 3.0:1 | |
Spurious | dBc | 60.0 | ||
Operating Temperature | °C | -40.0 | +75.0 | |
Survival Temperature | °C | -45.0 | +85.0 | |
DC Power Supply Voltage | V | +12.0 | ||
DC Power Supply Current | mA | 250.0 | 300.0 | |
RF In/Out connectors | 2.4mm-Female | |||
DC Input Connector | Feedthru Pin | |||
Size | inches | |||