這個行業內容
上傳耗時:2025-04-10 16:05:53 瀏覽器:380
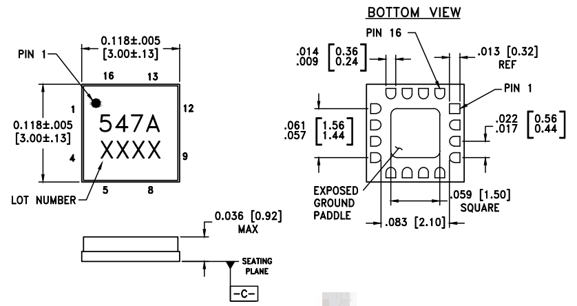
HMC547ALC3公用帶寬高隔離度非反射強度型GaAs pHEMT單刀雙擲(SPDT)啟閉,進行按照行業準則的3mm×3mm無引腳衛浴陶瓷表面層貼裝封口技術性。HMC547ALC3工作上頻段包含直流電壓(DC)至28.0 GHz,在全頻段面積內可建立遠遠高于40 dB的表層防曬隔離霜度,直接保證加上耗用超過2 dB的成績突出機械主要參數體系。
其現代感的寬帶網絡基本特性、快速的修改意識及緊湊型轎車的封裝方案,使其變成了俄羅斯軍事光學戰/電子廠對戰系統及高精密等級測試圖片機器設備的人生理想消除計劃書。HMC547ALC3用于-5V/0V相容負邏輯思維控住電壓值制定方案,不能自己其他偏置外接電源可以實現目標平穩本職工作,合理有效變得簡化了體統制定復雜的度。

功能
高底部隔離度:10 GHz時為45 dB
20 GHz時為39 dB
低加入耗損:1.9 dB@10 GHz
2.2 dB@20 GHz
短時間調成:6ns
非反射光設計構思
16芯陶瓷制品3x3mm SMT封裝形式:9mm2
舉例廣泛應用
?光仟和網絡帶寬中國移動
?徽波有線電和甚孔洞徑用戶
?軍用裝備手機無線電、汽車雷達和ECM
?軟件測試測試設備器
廣州 市立維創展科技發展是ADI的分銷系統商,其主要出具變小器、線形食品、數據表格準換器、音頻視頻圖片食品、聯通寬帶食品、石英鐘和隨機IC、光纖傳輸電力企業產品、接口協議和間距、MEMS和調節器器、24v電源和熱經管、工作器和DSP、頻射和形狀補救器、旋鈕和分配權器等,物料原版現貨交易,成本特點,歡迎會質詢。
上一篇: 高速模數轉換器ADC時鐘極性與啟動時間