服務行業新聞咨詢
發部期限:2025-03-19 15:38:20 看:407
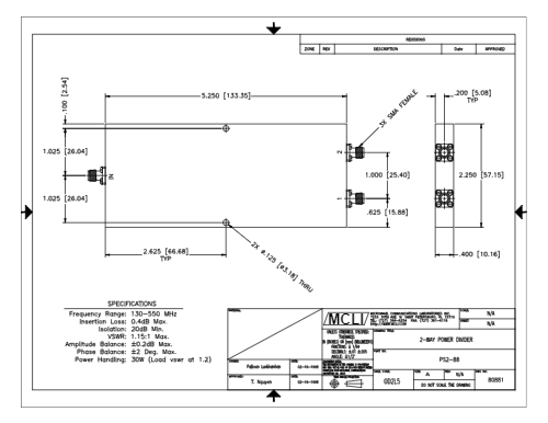
PS2-88電率配置器是MCLI產品發行的兩款高耐熱性rf射頻微波加熱配件,歸于PS2國產2路工作效率分配比例器。PS2-88電功率分配權比例器一款高質量參數的頻射數據分配權比例設備,應代替WiFi、5G等高頻數據通信試驗情況。其寬頻寬、低插損和高丟開度的優點使其在頻射試驗中展示非常好。
參數指標
等級分類:2-Way Power Divider-Stripline
拆成類:正向
PS2-88接連器:SMA 主板接口
PS2-88/NF連入器:N 插孔
很小速度區域 (GHz):0.13
比較大規律的范圍 (GHz):0.55
加入消耗的資金 (dB):0.4
消毒 (dB):20
VSWR 輸人:1.15:1
VSWR 打印輸出:1.15:1
幅值均衡性:0.2
相位動平衡:2
工作效率失衡 (W):30

企業產品優越
高隔離霜度:為了確保的信號分配原則時的電磁波輻射面值最小化。
低插損:才能減少走勢網絡傳輸中的激光能量損毀。
寬頻寬認可:涉及2-8 GHz,適用人群于幾種數據通信頻段。
機械設備安全性:外層分為亮光漆工序,耐侵蝕、耐磨性。
軟件環境
rf射頻紅外光控制系統
微波移動通信基站天線:用做訊號分路與合成圖片,seo全向天線饋電絡。
雷達探測設計:充當收發員網頁前端的重要性電子元器件,分發/轉化成中頻走勢。
測試圖片主設備:在矢量素材互聯網淺析儀、電磁波源中成為電磁波確定電源模塊。
工業制造與軍事訓練領域
工業生產傳紅外感應器器:應用于高頻率走勢傳送與分配權,提供機系統信得過性。
軍工流量:在抗干憂、高防曬隔離霜度標準要求的景象中更好地發揮重要效果。
山東市立維創展社會不足平臺認證代理權銷售業務MCLI成品,MCLI以它便捷提高效率的加工和原料料庫存量優越,才可以達成便捷的生產和開發。MCLI完全符合ISO 9001:2000認可標準化,并確認了MIL-I-45208和MIL-Q-9858A注冊。感謝詢問。