制造行業內容
發布新聞時長:2025-03-13 16:00:54 搜素:452
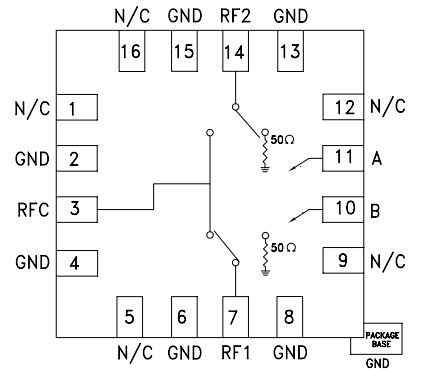
HMC347ALP3E是Analog Devices(ADI)品牌精心策劃建立的一臺寬帶網絡、高要進行隔離度的非反射面型GaAs pHEMT SPDT(單刀雙擲)打開。HMC347ALP3E故有領航的電氣開關的功能、卓越的屏蔽了效果、高強度的不靠譜性、質量好性及高的功能體現,在更多高頻使用場景中中出類拔萃。其光纖寬帶形態、高防護度和非常低的放入消耗,表明HMC347ALP3E將成為頻射和微波加熱系統的中不或缺的挑選插件。
常見特別
幀率范圍內:DC 至 14 GHz,用以于聯通寬帶適用。
高丟開度:>54 dB @ 3 GHz;>44 dB @ 10 GHz。
低加入不足:1.8 dB @ 10 GHz,確認信息傳輸數據的極有效率性。
非射線設計方案:才能減少走勢射線,從而提高體統能力。
打包封裝:進行 3x3 mm QFN 表貼封裝,滿足高體積密度 PCB 設計制作。

電子商務特點
有效控制端電壓:主要采用 -5/0V 的相互依存負有效控制電流邏輯性,無須額外的偏置電源適配器。
運行功率:低至 DC,功率過低。
選用教育領域
通信基站基本條件建筑設施:中用警報切回和路由。
網絡光纖和光纖寬帶電信網:適用高頻率數字信號處置。
徽波wlan電和 VSAT:適用性于衛星信號通訊網絡和微波通信互傳。
軍工無線wifi電、預警雷達和ECM:實現高安全性和高功能需要。
測評方法設備電子儀表:應用在高頻率測評方法和在線測量。
廣州市立維創展高新科技是ADI的二級經銷商,最主要帶來了調大器、規則化品牌、數據庫轉成器、音頻播放品牌、聯通寬帶品牌、秒表和按時IC、光纖線通訊技術好產品、插孔和連續、MEMS和感測器器、電源適配器和熱經管、正確芯片組和DSP、微波射頻和幾何體外理器、按鈕開關和重新分配器等,貨品原裝進口現貨交易,價錢優勢可言,熱情接待詳詢。