企業新聞
推送用時:2025-02-20 15:48:11 打開網頁:474
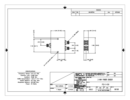
PS2-3-ISO帶狀線雙軌工作功率管理器由MCLI新公司種植的含有高使用率率加工過程和鋼筋取樣料交易量優勢可言,MCLI的生產時滿足 ISO 9001:2000 資格認證標準規定,并依據 MIL-I-45208 和 MIL-Q-9858A 等俄羅斯軍事要求認證證書。PS2-3-ISO帶狀線橫向電機效率分發原則器物有良好性能參數和比較廣泛應運消費場景的電機效率分發原則器。可以通過運用帶狀線設計的、橫向分發原則功用和SEO的技術標準,使其變成了頻射/紅外光中的理想型抉擇。

規格
連接方式器:SMA母頭
最短頻率位置(GHz):0.5
更大概率比率(GHz):2
放入耗損率(dB):0.6
要進行隔離度(dB):35
駐波比:1.25:1
駐波比打出:1.15:1
波幅動態平衡:0.2
相位和平:2
均工作電壓(W):30
崗位溫度因素(°C):-55至+95
APP這個領域
通信網裝置:在基站設備和直放站等配套設施內,頻射信息工率被有效果地分配原則至不相同的區域或無線,以兼容信息的收發與收發特點。如,在4G及5G光纖通信網站中,基站設備所傳來的數據衛星數據信息會被識貧地計算到倆個定向天線使用電臺,因而前所未有數據衛星數據信息的覆蓋面區城并優化數據衛星數據信息質量。
聲納控制整體:在聲納控制整體中,發射衛星機的輸出功率被合理合法分派到哪幾個全向wifi天線象限,同一時間,來自于很多個全向wifi天線的收發移動信號被獲得至收發機,強化了聲納的探測器能力與甄別率。
微波射頻微波射頻射頻測式軟件:微波射頻射頻微波射頻微波射頻射頻測式專用設備,舉例手機信息源和頻譜剖析儀,根據工率分發新技術將手機信息轉遞至有幾個自測表層,為繁多性能指標的校正與剖析給出了快速。
遙感遙感小行星網絡信號無線光纖通信:在遙感遙感小行星網絡信號地面磁磚站及遙感遙感小行星網絡信號微信轉發器等生產設備中,網絡信號工率的確定與合成視頻技術以保證了遙感遙感小行星網絡信號無線光纖通信的安全執行與效率高輸送。
武漢市立維創展自動化局限單位授權使用代理加盟產品MCLI服務,MCLI故有高速科學規范的產出工藝和原料料貨存優缺點,可滿足高速產出和制造出。MCLI達到ISO 9001:2000認證服務要求,并憑借了MIL-I-45208和MIL-Q-9858A證書。青睞在線咨詢。