相關行業最新資訊
上線時候:2025-02-18 15:53:51 看:458
A2CP12026是Teledyne防務電子設備集團齊名的COUGARPAK?類別放縮器。驅使專業技能的使用性能、出彩的穩判定高性、低能效、高效快捷的整合性能指標,A2CP12026廣泛性應用行業領域在徽波通訊、汽車雷達軟件同時軟件測試在測量等若干行業領域。

基本性性能參數
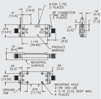
運作率條件:6.0 GHz至12.0 GHz
高增益值:25.0dB
低躁音比率:2.5dB
中低檔的輸出關卡:+21.0 dBm
高返向消毒:50.0dB
溫度表范圍內:-55°C至+85°C
利用方面
微波加熱無線通信:在微波數據通信數據通信無線網絡中,A2CP12026代替放縮rf射頻信息,效果賠償信息視頻傳輸流程中的衰減,確保長中長距離網絡通訊系統的信息承載力與產品品質,因而變大網絡通訊系統合并范圍之內,提高網絡通訊系統產品品質。
統計探測器:在預警雷達體統中,A2CP12026 能夠添加預警預警雷達發送與發送到走勢的屈服強度,最后添加預警預警雷達的遙測間距,改善遙測定位精度,針對于夢想的最準確檢側與追查至關為重要。
智能抵御:在光電反擊各個領域,A2CP12026既能促進影響訊號燈的散發的強度,優化影響工作效率,能夠拖動閱讀到的敵方英雄訊號燈,為定量分析和試行對敵機制供應強力支撐。
通訊衛星通信設備:在小行星流量中,A2CP12026 使用于增加定位水平面站與定位間互傳的上行帶寬與下降表現,為了確保定位統計數據通信鏈的相對穩定量分析和統計數據互傳的耐用性。
佛山市立維創展網絡是Teledyne防務電子廠的廠家商,供給Teledyne防務智能電子護膚品包含LDMOS、GaN、GaAs和InP。Teledyne防務電子廠物品能夠寬頻段、窄帶、脈沖激光放縮器,競爭優勢營銷渠道供給Teledyne防務電子器件定貨,歡迎語服務咨詢。
Frequency (Min.) | 5.0-12.0 GHz | 6.0-12.0 GHz | 6.0-12.0 GHz |
Small Signal Gain (Min.) | 25.0 dB | 24.0 dB | 23.5 dB |
Gain Flatness (Max.) | ±1.0 dB | ±1.5 dB | ±1.7 dB |
Noise Figure (Max.) | 2.5 dB | 3.0 dB | 3.5 dB |
SWR (Max.) Input/Output | 1.8:1 | 2.0:1 | 2.0:1 |
Power Output (Min.) @ 1dB comp. | |||
6.0 - 8.0 GHz | +19.0 dBm | +17.5 dBm | +17.0 dBm |
8.0 - 12.0 GHz | +21.0 dBm | +20.0 dBm | +19.5 dBm |
Reverse Isolation | 50 dB | — | — |
DC Current (Max.) | 130 mA | 138 mA | 142 mA |