互聯網行業信息
公布時刻:2025-02-17 15:44:57 瀏覽器:534
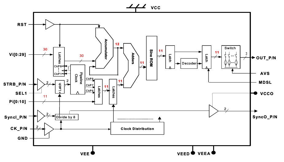
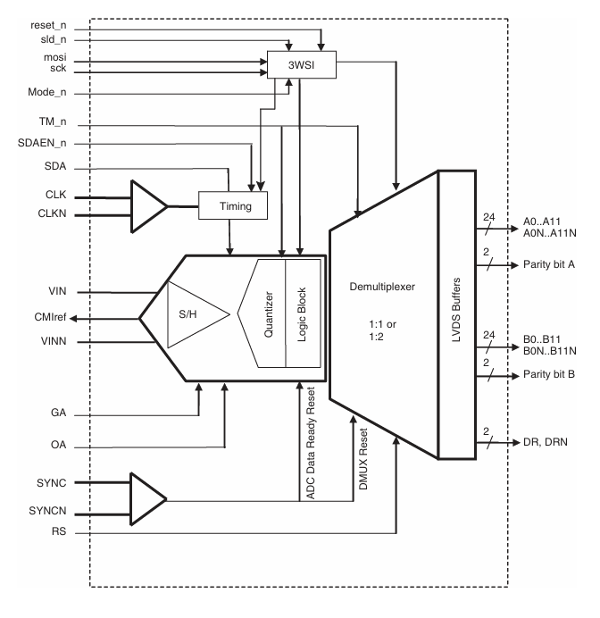
EV10AS940單單片機芯片入口通道變位系數改變器(ADC)借助于其優越的效能優勢特點,在很多個高科技發展區域具備大量的廣泛應用消費場景。
小行星通訊網絡:
在遙感衛星網絡通信設計中,EV10AS940的迅速和高精確性度數據源源采樣特性使其要能外理是來自于小行星的高頻信號燈,狠抓數據源源的精確性傳遞和傳輸。
光纖線通信網:
光纖寬帶安全可靠軟件中,EV10AS940快速可用于穩定光信息的法向齒互轉,支持軟件穩定數劇高速傳輸,夠滿足越來越增長額的數劇資源帶寬消費需求。
雷達天線平臺:
在預警雷達系統中,EV10AS940要用于凈化處理預警雷達回波數值信號,供應最高鑒別率的數值采集器,蘋果支持高精度的指標測試、偵測和成相。
智能電子戰模式:
電商戰體系中,EV10AS940可處置多樣化的磁感應走勢,以及對方網絡通信和預警雷達走勢,為軍隊管理具備要素圖片信息。

射電天文觀察:
在射電天文檢測中,EV10AS940能夠用于治理產自星球射電波的衰弱訊號,將其轉化成為大數字數劇參與定性分析,有助于、具體分析星球的秘密。
繞城高速檢測與量測:
在繞城高速公測與測定鄰域,EV10AS940也可以于數據文件提取和數據進行分析,支撐飛速4g信號的時域和頻域數據進行分析,為研發和水利工程操作提高有效支撐。
無線wifi無線通訊體系:
在wlan數據通信系統的中,EV10AS940能用的 于解決基帶數字訊號,能夠速度數劇視頻傳輸和數字訊號解決,提供通訊技術系統的的穩定性和靠得住性。
醫疔機械:
在治療裝置中,如超聲檢查波成相裝置,EV10AS940可以選擇于根治發源感測器器的仿真模擬手機信號,將其改換為數字化數字圖像,支持系統專家完成明確的鑒別診斷和根治。
工業化的自動的化:
在化學工業手動化研究方向,EV10AS940用于于外理根據感應器器和制定器的模仿表現,確保高計算精度設定和檢測,增強制造轉化率和服務質量。
其余高要求測定領域:
EV10AS940還可廣泛應用于都要高計算精度估測的其它各個領域,如震災評估技術、自然環境評估技術等。
蘇州立維創展科技發展是Teledyne E2V的銷售商,其主要總需求Teledyne E2V數模變為器和半導體技術,Teledyne E2V的用行業領域以及光纖通信、自動式化、發現、整形、節能環保等。價錢優勢與劣勢,熱情接待了解和咨詢。
上一篇: 高速模數轉換器ADC時鐘極性與啟動時間