互聯網行業新聞
推出時光:2025-02-12 15:52:44 網頁瀏覽:530
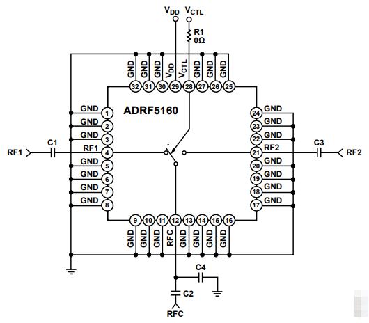
ADRF5160是Analog Devices Inc.(ADI)開發的1款高特性硅基0.7 GHz至4.0 GHz單刀雙擲(SPDT)反射性啟閉,所采用無引腳、表明貼裝的二極管封裝結構類型。ADRF5160專為高電功率app和蜂窩前提安全設施,如持續演變(LTE)信號塔等設汁。ADRF5160有著出眾的高工作電壓正確處理實力,其長遠(>10年)平均值典范值在8 dB峰均比LTE條件下多達41 dBm,時在2.0 GHz一些的典型示范加上耗費僅為0.7 dB。前者,ADRF5160的搜索三階截點(IP3)典型案例指標值70 dBm,0.1 dB減少點(P0.1dB)一般值一般選擇47 dBm。
ADRF5160的片上電線在5 V單正電原電壓電流下程序運行,典型的電原電壓電流僅為1.1 mA,是PIN電感按鈕開關的人生理想用于方案范文。ADRF5160的封口合適RoHS的標準,用寬敞的32引腳、5 mm × 5 mm LFCSP定制。

屬性介紹:
條件反射式設計的,50 Ω特性阻抗符合
低插入表格損耗費:在2.0 GHz之下,典型案例參考值0.7 dB
高工率整理能力素質,在TCASE = 105°C狀況下表達高品質
長期性(>10年)均衡工作功率表達:
間斷波公率:43 dBm
谷值熱效率:49 dBm
LTE的平均電率(8 dB峰均比):41 dBm
累計的事件(<10秒)平均水平LTE馬力(8 dB峰均比):44 dBm
高線型度表演:
P0.1dB典范值:47 dBm
IP3一般值:70 dBm
除靜電尖端放電(ESD)防護高等級高:
人體內型號(HBM):4 kV,3A級
導電裝置整治(CDM):1.25 kV
單正24v電源電流值:5 V
正控制無線信號,兼容CMOS/TTL電平
緊湊型轎車的32引腳、5 mm × 5 mm LFCSP打包封裝
應用這個領域這個領域:
無線路由基礎上公共設施生產設備
在軍事及高信得過性應該用場面
測試方法精確測量裝置
為PIN電子元器件大家庭中的一員-二極管開關按鈕的替代品解決方案
長沙市立維創展高新科技是ADI的分銷系統商,主要的提拱放縮器、線性網絡類品牌、統計資料更換器、音短視頻類品牌、寬帶網類品牌、鐘表和定時任務IC、光釬數據通信設備、插口和間格、MEMS和感知器、開關電源和熱經管、補救器和DSP、頻射和平面圖形凈化i7cpu、打開和配置器等,產品原裝進口現貨平臺,市場價格競爭優勢,歡迎會資訊。