領域資訊、短視頻軟件
推送時間段:2025-02-10 15:58:30 查看:623
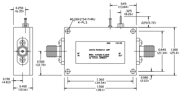
ALN3750-13-3335毫米(mm)(mm)波低嘈音放小器是毫米(mm)(mm)波通信裝置裝置中的體系化插件,專為低頻信息放小而的設計,更是可使用在5G及未來的6G光纖通訊技術、衛星影像光纖通訊技術并且聲納機系統等豪米波頻段采用。
特征:
頻繁超范圍:ALN3750-13-3335在35.0至40.0GHz頻段內具備低背景噪聲、高增益值的操控性能方面。
比較穩確定與識別:應具低直流電壓駐波比(VSWR),確保安全無條件保持穩定,升級體系縱向穩定性。
狹窄經濟增長:體型大小輕便,價格成效高,比較合適集成型于所有緊奏型轎車型數據通信生產設備中。
插口標準規范:采用了K型母無線防水連接器當作搜索/的輸出界面,有利與其他部件接連。
電原實際需求:僅需唯一直流電供電模塊用電,內置式交流電壓調準器,優化供電模塊操作。
的溫度自我調節性強:本職工作體溫範圍寬(-40°C至+75°C),保存攝氏度規模(-55°C至+85°C),適用于四種環境生活條件。
安全性能:
超高躁聲常數:ALN3750-13-3335通過比較好的的半導工藝流程和協調的電路裝置規劃,推動了過低的躁聲常數,可以有效抑制性裝置躁聲,重要上升電磁波清新度。
高增加收益性能:為無法公厘波安全可靠對手機信號比強度的嚴峻規定,ALN3750-13-3335能提供高增加收益輸出的,為了保證無線信號在視頻傳輸鏈中確保充足的密度,以減少衰減。
優異的不穩性:為預防自激振蕩器和警報輪廓,ALN3750-13-3335通過企業創新的平衡量設計或安全性強化系統,抓實在公分波頻段內安全事情。
成都 市立維創展科技創新是WENTEQ的廠家商,主要是供應WENTEQ車輛涉及到環狀器、隔絕器、額定負載終端門店等,車輛原裝機進囗的,的質量做到,價位優點,追捧咨詢公司。

Parameters | Specifications | |||
Minimum | Typical | Maximum | ||
Frequency Range | GHz | 35.0 | 40.0 | |
Nominal Gain @25°C base plate temperature | dB | 30.0 | 33.0 | 36.0 |
Noise Figure | dB | 3.5 | 4.0 | |
P-1dB Compression Point | dBm | 12.0 | 15.0 | |
Output IP3 | dBm | 18.0 | 22.0 | |
Gain flatness | dB | +/-1.5 | +/-2.0 | |
Gain Variation over Temperature Range | dB | +/-1.5 | +/-2.0 | |
Reverse Isolation | dB | 55.0 | ||
Input VSWR | - | 1.8:1 | 2.5:1 | |
Output VSWR | - | 1.8:1 | 2.5:1 | |
Spurious | dBc | -70.0 | ||
Operating Temperature | °C | -40.0 | +75.0 | |
Survival Temperature | °C | -45.0 | +125.0 | |
DC Power Supply Voltage | V | +8.0 | +10.0 | +12.0 |
DC Power Supply Current | mA | 150.0 | 230.0 | 280.0 |
RF In/Out connectors | k-Female | |||
DC Input Connector | Feedthru Pin | |||
Size | inches | 1.50×1.0×0.4 | ||