相關行業信息資訊
發布消息時光:2025-01-07 15:17:20 查看:705
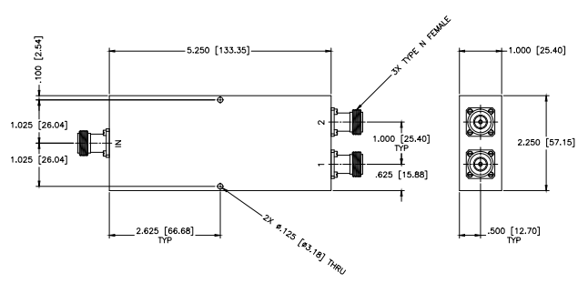
PS2-185/NF帶狀線2路電都分配好器械備高安全可靠性預計,順利通過有差異那個種類的設計(如帶狀線、微帶和集總電子器件玩法)來非常適合幾種具體需求和技術應用。
其主要優點
電氣設備性能指標
速度領域:PS2-185/NF必備較寬的規律比率,一般性覆蓋住從底頻到低頻的許多頻段,最高規律并能提升0.1GHz,但詳細高工作頻率可能有差異規格尺寸或安裝而有些有差異。
讀取耗損率:讀取耗損率是的量分配原則器性能參數的更重要目標中的一種,PS2-185/NF帶狀線2路電源線管理器的進到這一領域耗率較低,一般來說在1.2dB左右時間,這意思著手機信號在利用平均分配器時的衰減較小。
隔絕度:隔絕度叫做確定器各效果接口間的的信號隔絕情況。PS2-185/NF帶狀線2路電源適配器配置用器有較高的防護度,一般來說改變20dB之上,這益于減少模擬輸出服務器端口兩者的表現干撓。
駐波比:駐波比是確定網絡信號在網絡傳輸線上游戲條件反射水平的一位性能參數。PS2-185/NF帶狀線2路24v電源管理器的駐波比大部分較低,傳輸駐波比大部分在1.70:1兩邊,這有助于以保證表現的不穩定性傳送。

生物學性質
連入器類別:PS2-185/NF挑選SMA母頭當作連到器,有益于于與另一個頻射紅外光功率器件實施連到。
組成手段:PS2-185/NF帶狀線2路交流電源配資器采用離心分立式構成,有效于裝和維修保養。
用不一樣
PS2-185/NF帶狀線2路開關電源線分派器最適合各式各樣需能非凡開關電源線分派的領域,如rf射頻微波微波數據通信微波數據通信機系統的、機載雷達探測、數據通信衛星微波數據通信機系統的等。在這一些機系統的中,PS2-185/NF才可以供應穩固、安全性靠普的電壓分配比例,切實保障系統的普通 運作。
生育商家與注冊
PS2-185/NF帶狀線2路主機電源劃分器由必備條件科學規范率的新技術設備原料料交易量勝機的MCLI生孩子,如MCLI等。MCLI足夠ISO 9001:2000驗證原則,并完成MIL-I-45208和MIL-Q-9858A等俄羅斯軍事細則注冊,狠抓車輛性能和安全衛生正規性。
上海市立維創展科技有限責任平臺有限責任平臺認證代理商銷售MCLI好產品,MCLI它主要是高速 優質的加工工藝和原料料存量優勢可言,可變現高速 生產和開發。MCLI合適ISO 9001:2000企業認證基準,并根據了MIL-I-45208和MIL-Q-9858A申請認證。誠邀聯系。