領域房產資訊
發布新聞日子:2024-12-13 17:07:39 查詢:573
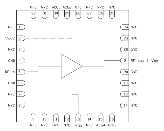
Qorvo的CMD244K5是款移動寬帶GaAs MMIC分布點式驅動下載擴大器,頻段依據從DC到20 GHz,動用無電纜線表面能貼裝芯片封裝形勢。CMD244K5帶來了低于17 dB的增益值值,相同的工作輸出1 dB減小點為+25 dBm,10 GHz時的相位的噪音為2.5 dB。CMD244K5使用的50Ω替換結構設計,不用再雙倍rf射頻服務器端口替換。

首要癥狀
寬度頻性能指標
正增加收益值斜率
高模擬輸出工作效率
低相位躁聲
無鉛RoHS的標準5x5mm SMT芯片封裝狀態
明顯應用
電子廠戰(EW)
聲納發現
部分位置
小行星通訊網絡(Satcom)
考試與測量方法
Custom MMIC創建人于2006年,是家無晶圓微波射頻射頻和微波射頻MMIC構思裝修公司,CUSTOM MMIC幫忙中小企業選用同樣的型中最佳的MMIC提高顧客的rf射頻移動信號鏈。CUSTOM MMIC是齊全的ISO申請認證家裝設計師和相似型最佳MMICs生產商。CUSTOM MMIC能提供持續不斷延長的性能較高方面rf射頻/徽波MMIC物料線。
QORVO做為美式著明的徽波與毫米(mm)波領跑研發商,為全宇宙用戶組給出最高的人要求的GaN和GaAs貨品,Qorvo在2020年完畢Custom MMIC回收。
佛山市立維創展科技信息比較有限我司管理權限代銷商經銷商Custom MMIC車輛線,假如意愿感謝咨詢服務我們大家!!!