職業信息資訊
披露時長:2024-12-04 17:07:06 瀏覽訪問:682
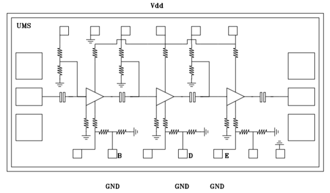
CHA2090-99F是款二級自偏置寬帶網片式低嘈音擴大器。
CHA2090-99F操作要求的0.25μm柵極長寬pHEMT加工工藝新技術設備,據材料上的孔、環境橋和智能束柵流星刻新技術設備。
CHA2090-99F以IC芯片結構帶來。
具體的特點
光纖寬帶性能指標17-24GHz
2.0dB相位燥聲
23dB增益值,±1dB增益值平整光滑度
低直流電源職能耗損率,55mA
打包封裝長寬比:2.17 x 1.27 x 0.1mm
山東市立維創展科學有效機構授權文件生產商UMS徽波,對組成部分主要參數的UMS物料給予質優的現貨平臺物料存儲,迎接在線咨詢。

| Reference | RF Bandwidth (GHz) | Gain | Gain Flatness | Noise Figure | P-1dB OUT | Bias | Bias | Case | |
| min | max | ||||||||
| CHA2090-99F | 17 | 24 | 23 | 1 | 2 | -10 | 55 | 4.5 | Die |