餐飲行業方式
分享用時:2024-12-03 17:15:10 挑選:692
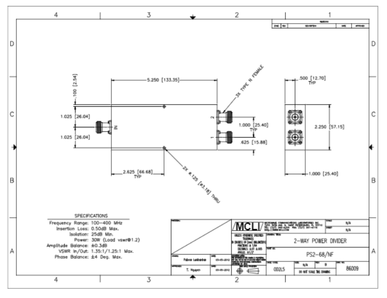
PS2-68/NF帶狀線2路主機電源管理用品備表現出色的型號規格性能指標,提高互聯網金屬聲音頻率區域、高防護隔離、低加上損耗率、低VSWR、中頻率和高工率處理好方法。PS2-68/NF帶狀線2路24v電源調整器要能可以通過有所差異類的形勢,如帶狀線、微帶和集總車配件形勢來諸多實用來供需和操作。

顯著特點
分離式式:橫向
拼接器:N母頭
最低值幾率比率(GHz):0.1
高幾率時間范圍(GHz):0.4
添加圖片材料耗費(dB):0.5
消毒度(dB):25
駐波比:1.35:1
駐波比導出:1.25:1
震幅靜態平衡:0.3
相位穩定性:4
頂值輸出功率(W):30
珠海市立維創展科學技術不多司授權文件POS機代理銷售人員MCLI成品,MCLI它主要是加快有效率的加工工藝和原的材料料存量特點,會實現了加快加工和營造。MCLI具備ISO 9001:2000資質認證規定,并順利通過了MIL-I-45208和MIL-Q-9858A資格認證。的歡迎詢問。