職業咨訊
上架耗時:2024-11-05 17:41:59 瀏覽網頁:816
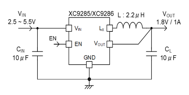
XC9285品類是TOREX電壓的這款內嵌式P激光切割端面推動FET和N激光切割端面推動FET的1.0A云同步整流降血壓DC/DC換算器。
XC9285的電壓的電壓夠在 0.8V 至 3.6V 標準內得以 0.05V 間隔進行某些設置。僅有的間接裝置是電感感應線圈和電感器。
HiSAT-COT操控髙速瞬態運行高技術可以在負荷波幅時將電源開關電流電壓降至低點,格外適用FPGA、所需工作電壓工作電壓安全可靠性分析的儀器等瞬時根據轉化最大的新技術廣泛應用。
選擇軟件應用,也可以完成 SOT-25 和 USP-6C 填入擇芯片封裝方法。

的特點
投入電流值:2.5V ~ 5.5V
供電電壓降的范圍:0.8V~ 3.6V (±2.0%)
打出交流電:1.0A
幾率范疇:1.2MHz
高效性率:92%
直流電壓消耗:15μA
把控方法步驟:HiSAT-COT管理
保護好安裝:熱關
功能性:軟起動
手機輸入輸出電壓電解電容(電容器):兼容淘瓷電解電容(電容器)
本職工作區域環境水溫:-40℃ ~ 105℃
河南市立維創展現代科技是有限的我司的優勢分銷管理TOREX電源適配器元器件封裝,大批現貨平臺貨源,歡迎會諮詢。
形號 | 類別 | 轉換交流電壓 | 運作概率 | 封裝類型 |
| XC9285A08CMR-G | 無CL自放電,無發生故障保養 | 0.8V | 1.2MHz | SOT-25 |
| XC9285A0LCMR-G | 無CL擊穿,無串電愛護 | 0.85V | 1.2MHz | SOT-25 |
| XC9285A09CMR-G | 無CL電池充電,無發生故障保養 | 0.9V | 1.2MHz | SOT-25 |
| XC9285A0MCMR-G | 無CL蓄電池放電,無漏電保護 | 0.95V | 1.2MHz | SOT-25 |
| XC9285A10CMR-G | 無CL電流,無短路等問題保證 | 1V | 1.2MHz | SOT-25 |
| XC9285A1ACMR-G | 無CL釋放,無斷路保護英文 | 1.05V | 1.2MHz | SOT-25 |
| XC9285A11CMR-G | 無CL釋放,無短路故障養護 | 1.1V | 1.2MHz | SOT-25 |
| XC9285A1BCMR-G | 無CL電流,無跳閘愛護 | 1.15V | 1.2MHz | SOT-25 |
| XC9285A12CMR-G | 無CL充放電,無不導通防護 | 1.2V | 1.2MHz | SOT-25 |
| XC9285A1CCMR-G | 無CL擊穿,無燒壞庇護 | 1.25V | 1.2MHz | SOT-25 |
| XC9285A13CMR-G | 無CL釋放,無不導通保護好 | 1.3V | 1.2MHz | SOT-25 |
| XC9285A1DCMR-G | 無CL充放,無斷路護理 | 1.35V | 1.2MHz | SOT-25 |
| XC9285A14CMR-G | 無CL釋放電能,無虛接呵護 | 1.4V | 1.2MHz | SOT-25 |
| XC9285A1ECMR-G | 無CL電池充電,無不導通保障 | 1.45V | 1.2MHz | SOT-25 |
| XC9285A15CMR-G | 無CL蓄電池放電,無串電保障 | 1.5V | 1.2MHz | SOT-25 |
| XC9285A1FCMR-G | 無CL電流,無燒壞保養 | 1.55V | 1.2MHz | SOT-25 |
| XC9285A16CMR-G | 無CL電池充電,無出現短路保障 | 1.6V | 1.2MHz | SOT-25 |
| XC9285A1HCMR-G | 無CL蓄電池充電,無擊穿保養 | 1.65V | 1.2MHz | SOT-25 |
| XC9285A17CMR-G | 無CL尖端放電,無串電保護性 | 1.7V | 1.2MHz | SOT-25 |
| XC9285A1KCMR-G | 無CL電池充電,無擊穿保證 | 1.75V | 1.2MHz | SOT-25 |
| XC9285A1LCMR-G | 無CL蓄電池放電,無過壓防護 | 1.85V | 1.2MHz | SOT-25 |
| XC9285A19CMR-G | 無CL發出電,無擊穿確保 | 1.9V | 1.2MHz | SOT-25 |
| XC9285A1MCMR-G | 無CL電池充電,無短路等問題自我保護 | 1.95V | 1.2MHz | SOT-25 |
| XC9285A20CMR-G | 無CL釋放,無虛接保護性 | 2V | 1.2MHz | SOT-25 |