的行業房產資訊
上傳日子:2024-10-23 17:02:25 預覽:597
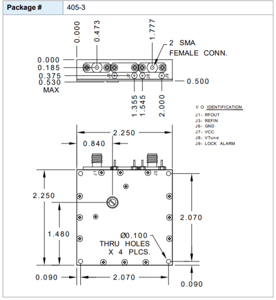
Synergy的KSFLOD12800-12-1280超高噪音污染鎖相切換器是種高耐用性的頻繁 轉為改善計劃方案,專業專注于所有區域相應軟件需求分析裝修設計。KSFLOD12800-12-1280使用較低躁音標準值?和REL-PRO?專屬高技術,為航空產業水利工程中國國防產業、電信網絡數據網絡數據、工控設備主動化、醫院器具、科枝論述等具備優質的工作頻率有效控制。

特性:
發現異常燥聲公式
Ku頻譜源
內部結構管理控制
小封裝
規格
平率(Fo)12.8 GHz
內容輸出效率≥+10dBm
借鑒手機輸入次數1280 MHz
參考資料放入電平+9至+13 dBm
電源適配器電壓降Vcc(Vdc)Icc(至高mA)+12500
諧波(2*Fo)27 dB(最低值)
次諧波(3*Fo)37 dB(輕柔的值)
所在雜散75 dB(最高值)
基準頻寬1 70 dB(最大值)
模擬輸出負荷電阻值50Ω(標稱)
典例環境噪聲常數
偏差噪音數值
@1 kHz-114 dBc/Hz@10 kHz-122 dBc/Hz@100khz-123dB/HZ@1MHz-138dB/HZ@10MHz-158dB/HZ準確定位測試界面顯示燈CMOS高(固定),CMOS低(位置定位)
實際操作高溫
實用超范圍-20至+50°C
存放溫適用區域-40至+85°C
河南市立維創展自動化是Synergy的生產商商,常見提供了Synergy微波射頻壓控自激震蕩器、結晶自激震蕩器、鎖相自激震蕩器、鎖相環頻點制成器、混頻器等車輛,車輛坐落于英國北方的單獨清算通道,迅速的異常中國現代雇主的供需。喜愛咨詢了解。