職業快訊
上架時段:2024-10-23 16:59:39 瀏覽訪問:589
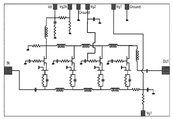
UMS的CHA3023-99F是款應用軟件共源共柵FET的導波放小器。為廣泛APPAPP要設定。
CHA3023-99F挑選0.25μm柵極的尺寸的pHEMT的工藝設備設備,會根據橫穿基鋼板的孔隨和橋,因此以裸片表現形式提供了。

基本表現
聯通寬帶的性能:1-18GHz
14dB增益值值
3dB具代表性低相位嗓聲
0.7dB增益控制值整齊光滑度
二極管封裝規格:2.15 X 1.42 X 0.10mm
東莞市立維創展創新科技有限制集團授權文件代理商UMS微波加熱,專門針對局部形號的UMS食品出示優良的期貨食品庫存量,追捧詢問。
AMPLIFIER – MPA| Reference | RF Bandwidth (GHz) | Gain | IP3 | P-1dB OUT | Sat. Output Power | Bias | Bias | Case | |||||||||||
| min | max | ||||||||||||||||||
| CHA3023-99F | 1 | 18 | 14 | - | 17 | - | 95 | 5 | Die | ||||||||||