餐飲行業咨訊
發布信息時刻:2024-08-15 09:14:48 搜素:6079

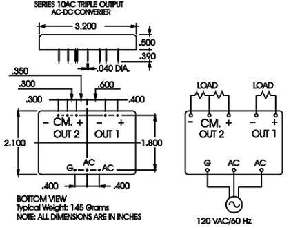
10AC12T5是一款三路輸出的AC-DC電源模塊,由PICO公司生產。這款電源模塊具有以下特點和技術參數:
1. 輸入電壓范圍:
90-130VAC (47-440Hz) 必選:170-240VAC (47-440Hz)2. 環境條件:
寬的工作水溫時間范圍:-55°C至+85°C 過程高低溫及氧化測試測試:-55°C至+125°C3. 型號與規格:
產品型號:10AC12T5 主打印輸出的電壓:5 VDC 明顯裝載電壓:1400 mA 大輸出電壓馬力:7 W 端電壓負荷轉換依據:25%-100%負荷,±0.5% 傷害交流電壓紋波(1.1 MHz資源帶寬下):50 mV峰頂值4. 輔助輸出電壓和電流:
輔助制作輸出精度電阻值1:±12 VDC 較大電機負載電流大小1:125 mA 較大 傷害工率1:1.5W 轉換相電壓紋波1(1.1 MHz服務器帶寬下):50 mV峰谷值 協助的輸出電流2:±12 VDC 最好阻抗功率2:50 mA 最大程度模擬輸出熱效率2:1.2W 打出輸出功率紋波2(1.1 MHz帶寬的配置下):50 mV峰閥值5. 效率:
在高速行駛情形下,速度為77% 此供電控制模塊符合于尖酸刻薄的軍民融合標準規范及航天部APP,可在嚴格環境下耐用運動。產品設備基本特征是指寬顯示額定電流值區域、安穩的模擬輸出額定電流值、低紋波噪音分貝及高效能率。深圳市立維創展科技是PICO裝修公司的代銷商。帶來了國外PICO電壓電壓輸出控制模塊電壓輸出控制模塊、軍用裝備電壓電壓輸出控制模塊電壓輸出控制模塊、高壓電電壓電壓輸出控制模塊電壓輸出控制模塊、全自動變電器、MIL-PRF-21038/27產品規格電抗器、電磁電抗器、400 MHz電氣配電變壓器、MIL-STD-1553電源接口箱式電抗器、音頻文件箱式電抗器、耗油率電感、袖珍型耗油率電感、EMI電感、薄DC-直流變壓器電源開關包塊、警用DC-DC電原模組、磚塊DC-DC電源組件組件、高壓力DC-DC、AC-DC外接24v供電傳感器、打開整流外接24v供電傳感器、隔絕外接24v供電傳感器、航班外接24v供電傳感器等能力外接24v供電傳感器和效率轉型器。原版商品美國進口,服務質量做到,邀請咨詢了解。。