制造業手游資訊
披露精力:2024-08-07 08:58:58 訪問 :780

EPD-4L-SF功分器是由ELECTRO-PHOTONICS公司生產的一款高性能、寬頻帶的4路功率分配器/組合器。該產品的主要特點和規格如下:
主要特點
位置性: 0° 頻繁使用范圍: 4.0 GHz到8 GHz 最好導出電率: 30W 高特點: 帶來低復制耗用、高屏蔽度、低駐波比(VSWR)和更優秀的震幅及相位平衡量。 狹窄長寬高: 設計構思狹窄,更加方便在現有的空間內按裝和實用。性能規格
| PARAMETER | SPECIFICATION |
| FREQUENCY RANGE | 4.0-8 GHz |
| EXCESS INSERTIONLOSS* | 0.8dB |
| ISOLATION | 18 dB |
| VSWR | 1.3 |
| AMPLITUDE BALANCE | ±0.3 dB |
| PHASE BALANCE | ±3° |
| POWER HANDLING | Forward:30W |
| Reverse:1W |
應用領域
機械規格
| PARAMETER | SPECIFICATION |
| MATING INTERFACE | SMA(F) |
| OPERATINGTEMP | -55 TO+85℃ |
| NON-OPERATINGTEMP | -55 TO+100 ℃ |
| MATERIAL/FINISH | Aluminum with black epoxy |
| resin paint |
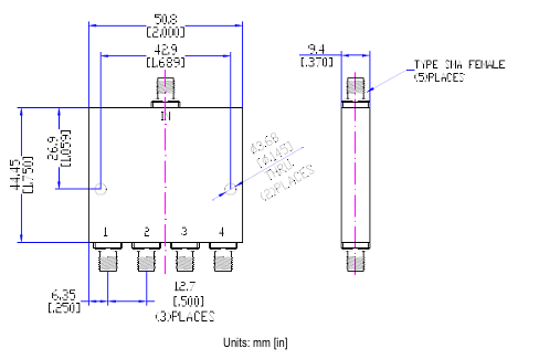
尺寸圖:

ELECTRO-PHOTONICS賦予25年的原因rf射頻元器件設計的概念與生產制造心得,商品包涵融合和定向委培解耦器、功分器、濾波器、測試測試板、隔絕器、橢圓形器等商品。
武漢市立維創展高新科技現有裝修公司代理商渠道分銷Electro-Photonics類產品。若是須得Electro-Photonics微波加熱,追捧點開右下博主關系.我!!!