服務業方式
更新準確時間:2024-08-05 08:43:30 訪問 :733

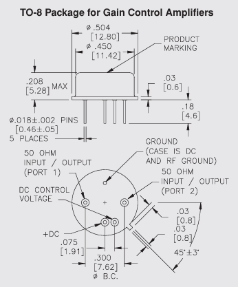
AGC525 TO-8增益控制放大器是由Teledyne防務智能生產的一款高性能產品。以下是該產品的詳細介紹:
基本參數
機型:AGC525 封口形式:TO-8標準單位寬度封口形式,適宜于增加收益把控增加器 收獲:經典參考值25.5dB,世界上最大參考值24.0dB至24.5dB 收獲出平整度:極大±0.8dB 噪聲源標準值:更大5.0dB,具體表現出眾 駐波比(SWR):讀取輸入輸出網口均需小于2.0:1控制特性
調整依據:0到+5V AGC規模:至少30dB,成績出寬規模的調節意識 初始化失敗時期:全AGC下不大于10微秒,切回快慢快電氣特性
| Parameter | Typical | 0 to 50℃ | 55 to+85℃ |
| Frequency (Min.) | 10-600 MHz | 10-500 MHz | 10-500 MHz |
| Gain (Min.) Vo=0 | 25.5 dB | 24.5 dB | 24.0 dB |
| Gain Flatness(Max.) | ±0.5 dB | ±0.7 dB | ±0.8 dB |
| AGC Range(Min. | 30 dB | 26 dB | |
| Noise Figure (Max.) | 5.0 dB | 6.0 dB | 6.5 dB |
| SWR (Max.) Input/Output | <1.6:1 | 2.0:1 | 2.0:1 |
| Power Output (Min.) @1dB comp | +11.0 dBm | +10.0 dBm | +9.5 dBm |
| Response Time Full AGC | <10 μsec | ||
| DC Current(Max.) Bias | 45 mA | 48 mA | 51 mA |
| DC Current(Max.) Vo | 0 to 10 mA |
南京市立維創展科技產業是Teledyne防務電子廠的代理商商,打造Teledyne防務電子技術服務內容涵蓋LDMOS、GaN、GaAs和InP。Teledyne防務電子技術車輛線蘋果支持寬頻寬、窄帶、電磁拖動器,頻繁 1MHz~220GHz,輸出功率mW~10kW,的優勢校園推廣渠道帶來了Teledyne防務光學備貨,歡迎辭服務咨詢。