互聯網行業手游資訊
發表用時:2024-07-23 08:34:15 挑選:780
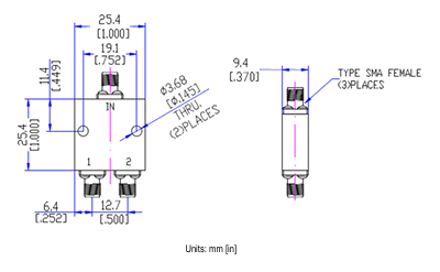
EPD-2L-SF是ELECTRO-PHOTONICS公司生產的一款寬帶2路(0°)功率分配器/合路器,適用于4.0至8.0 GHz頻段,在小型封裝中提供卓越的性能。該功率分配器的突出特點包括低插入損耗、小型尺寸以及高隔離度,適用于電子戰、雷達、測試和測量等領域。

特點及應用
- 4到8GHz次數范疇內的同相效率配資 - 緊湊型轎車設計制作 - 低插入圖材料耗費 - 支持于網絡戰、汽車雷達、自動測量和自動測量電氣特性
速度依據: 4.0 – 8 GHz 放進去耗損: 主要0.5 dB (Excess IL = Common Port to Output Port IL ) - 3dB) 防曬隔離霜度: 面值最小20 dB 駐波比 (VSWR): 1.25 頻率平衡量: ± 0.2 dB 相位平衡性: ± 2° 工率辦理功能: 領域30 W,反相1 W機械特性
相連接口方式: SMA (F) 本職工作溫度: -55°C 至 +85°C 非工作的熱度: -55°C 至 +100°C 產品/金屬涂層: 鉿合金構成并涂有褐色改性環氧環氧環氧漆
ELECTRO-PHOTONICS賦予25年的技能頻射pcb板來設計與加工豐富經驗,物料分為搭配和定向生藕合器、功分器、濾波器、測試英文板、隔離霜器、環狀器等物料。
杭州市立維創展科技創新限制品牌代辦代銷Electro-Photonics類產品。假如必須Electro-Photonics微波射頻,歡迎圖片打開右測客服專員找讓我們!!!