業內介紹
上線時間:2024-07-15 08:59:06 打開網頁:6012
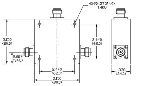
在無線通信和射頻工程領域,選擇合適的組件對于確保系統的高效運行至關重要。WENTEQ F2519-0280-29-N10大功率同軸射頻環行器正是這樣一款專為滿足高要求應用而設計的先進設備。本文將詳細介紹其關鍵特性、電氣規格及其在實際應用中的優勢。

| Part No | Freq Range MHz | Insertion Loss,dB | Reverse Isolation dB | VSWR | Forward Power Watts | Temp Range,℃ |
| F2519-0262-29-N10 | 225~300 | 0.6 Max | 18 | 1.35 | 250 | 0~+85 |
| F2519-0280-29-N10 | 240-320 | 0.5 Max | 18 | 1.35 | 250 | 0~+85 |
| F2519-0280-29-S01 | 240~320 | 0.5 Max | 20 | 1.25 | 50 | -40~+85 |
主要特點包括:
寬規律速率:幫助225-300 MHz和240-320 MHz等眾多頻段。 聯系器按鈕:供給N型或SMA母頭聯系器,方便于集合。 低放耗用:最大的不已超0.6 dB,加強組織領導電磁波有效率輸送。 高倒置防曬隔離霜:最起碼18 dB,增加系統的性能指標。 高電電機功率辦理:能夠達到250 Watts,適于于大電電機功率畫面。 安全耐耗用:約990克,事關機器設備安全性。電氣規格:
這個環行器是微波射頻過程師和無線wifi通訊網絡廠家的理想化進行,用來于很多高需要周圍環境。
佛山市立維創展科學是WENTEQ的代理商商,關鍵提拱WENTEQ護膚品包擴弧形器、要進行隔離器、負債終端門店等,護膚品原版出口,線質量維持,售價勝機,歡迎會網絡咨詢。