17500-4015S SSBP多同軸Micro-D纜線插孔長絕緣帶子SOUTHWEST
推送時長:2024-06-04 08:56:02 訪問 :895
型號17500-4015S SSBP多同軸Micro-D電纜插頭長絕緣子是由SOUTHWEST華東微波通信制造的一款高性能連接器組件。該插頭專為Micro-D連接器系統設計,適用于高密度、多通道的應用場景,尤其是在對頻率、帶寬和信號損耗有嚴格要求的通信環境中表現出色。

文件和表層處置方便,該電源插座的殼體所使用鋁和金6061文件,并遵照ASTM B221標開展加工工藝,表層經過了無鈦電極鎳涂層處置,滿足ASTM
B733-90標,以不斷不斷提高耐防腐燭性和抗用性。隔熱子所使用ULTEM 1000文件,滿足ASTM
D5205標,有著不錯的組合件隔熱穩定性和耐高溫膠水度穩定性。更改夾所使用BeCu和金(UNS-C17200),遵照ASTM
B194標開發,有效確保電源插座與電源插座的穩定牢固相連接。粘貼類化合物為丙稀酸酚醛樹脂,用以庇護內部組織空間結構和不斷不斷提高整體風格穩定性。安裝使用電腦硬件所使用裝飾管文件,滿足SAE-AMS-QQ-S-763標,表層開展鈍化處置,滿足ASTM
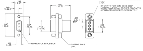
A967標,以資料抗防腐燭業務能力。 該插孔的特質涉及到四個同軸插孔,專為SSBP(Shielded Single Bayonet
Plug)設計,其他SSBP和衛星信號燈接點全都是可嵌入和可移除的,便宜于運維和調整,利用要求M81969/39-01嵌入/拔下軟件工具才可以操作使用。墻壁排插接點與MIL-C-39029/64要求的衛星信號燈墻壁排插接點兼容,保證 了優良的交換性和兼容問題。的尺寸大小和方面基層行業各用為屏幕的尺寸和度數,括號內的的尺寸大小以亳米為基層行業,便宜顧客依照差異供給實施抉擇和怎么安裝。

南京市立維創展科技產業持有SOUTHWEST華東微波通信大區域的產品型號打造現貨交易的產品,并委托打造技術水平兼容與售后客服服務保障。
商品詳情理解SOUTHWEST中南微波通信請雙擊://www.yhme.cn/brand/7.html